Обогреватели Спец СПЕЦ-ДК-30 - инструкция пользователя по применению, эксплуатации и установке на русском языке. Мы надеемся, она поможет вам решить возникшие у вас вопросы при эксплуатации техники.
Если остались вопросы, задайте их в комментариях после инструкции.
"Загружаем инструкцию", означает, что нужно подождать пока файл загрузится и можно будет его читать онлайн. Некоторые инструкции очень большие и время их появления зависит от вашей скорости интернета.

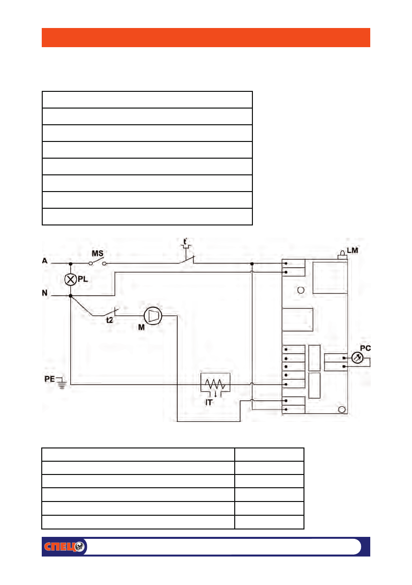
PL - контрольная лампочка с кабелем
MS - выключатель однополюсный узкий
t2 - термостат 200° керамический
M - мотор
IT - трансформатор 100%
t° - капиллярный термостат
LM – индикатор состояния работы блока
PC - фотодатчик
Приложение Б
Схема электрическая принципиальная ППУ-04.401 (ППУ-04.301)
18
СПЕЦ-ДК-30
Пушка тепловая дизельная
Упаковочный лист для СПЕЦ-ДК-30
Наименование
Кол-во, шт
Дизельный теплогенератор
Манометр
Фасовка 20х30
Паспорт
Коробка упаковочная
1
1
1
1
1
Содержание
- 2 Пушка тепловая дизельная
- 3 ОПИСАНИЕ И РАБОТА ДИЗЕЛЬНОГО ТЕПЛОГЕНЕРАТОРА; Таблица 1; Техническая характеристика; Топливо
- 6 Настройка и проверка работы теплогенератора.; моря) требуется регулировка давления воздуха в компрессоре. При; ТЕХНИЧЕСКОЕ ОБСЛУЖИВАНИЕ; Заменяйте поврежденные прокладки. Не используйте герметик.
- 7 ТЕХНИЧЕСКОЕ ОБСЛУЖИВАНИЕ КОМПРЕССОРА И ВОЗДУШНЫХ
- 9 ВОЗМОЖНЫЕ НЕИСПРАВНОСТИ И МЕТОДЫ ИХ УСТРАНЕНИЯ; Возможные неисправности приведены в таблицах 2 и 3; Таблица 2; Неисправность; Двигатель вентилятора не включается; Причина
- 10 Таблица 3; ГАРАНТИИ ПРОДАВЦА
- 12 Изготовлено по заказу:
- 13 СВИДЕТЕЛЬСТВО О ПРОДАЖЕ; место печати; Модель; Свидетельство о приемке
- 18 Приложение Б