Обогреватели Sonniger HEATER ONE NEW, WA0013 - инструкция пользователя по применению, эксплуатации и установке на русском языке. Мы надеемся, она поможет вам решить возникшие у вас вопросы при эксплуатации техники.
Если остались вопросы, задайте их в комментариях после инструкции.
"Загружаем инструкцию", означает, что нужно подождать пока файл загрузится и можно будет его читать онлайн. Некоторые инструкции очень большие и время их появления зависит от вашей скорости интернета.

Технический
паспорт
и
руководство
по
эксплуатации
v201701
14.
СХЕМЫ
ЭЛЕКТРИЧЕСКИХ
ПОДКЛЮЧЕНИЙ
1.
Подключение
агрегата
HEATER
без
автоматики
*
в
комплект
поставки
не
входит
:
Автоматический
выключатель
,
предохранители
и
питающий
кабель
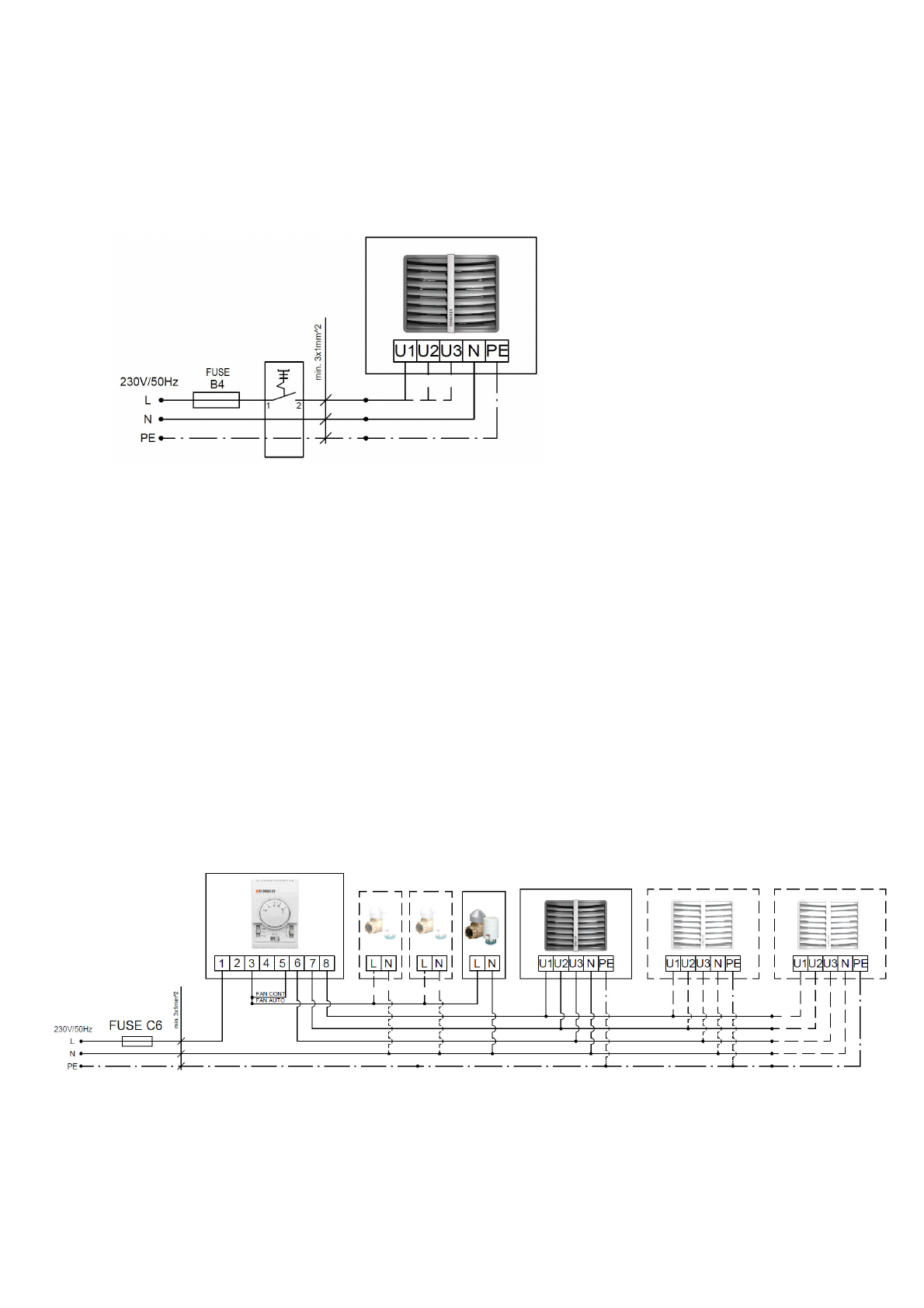
Схема
электроподключения
вентилятора
U1
максимальная
скорость
–
коричневый
кабель
U2
средняя
скорость
–
серый
кабель
U3
минимальная
скорость
–
красный
кабель
N
нейтраль
–
черный
кабель
PE
заземление
-
желто
/
зеленый
2.
Подключение
нескольких
агрегатов
HEATER
с
пультом
управления
COMFORT,
клапанами
с
сервоприводами
.
*
В
комплект
поставки
не
входит
:
Автоматический
выключатель
,
предохранитель
,
питающий
кабель
.
*
Одна
панель
управления
COMFORT
может
управлять
до
3-
х
HEATER
HEAT
-
Термостат
посылает
сигнал
на
открытие
клапана
с
сервоприводом
и
запуску
вентилятора
.
Вентилятор
отключается
когда
температура
в
помещении
достигнута
,
сервопривод
закрывает
клапан
по
достижении
температуры
,
теплоноситель
не
расходуется
.
FAN
–
Функция
не
активна
.
Агрегат
не
работает
когда
переключатель
установлен
в
режим
FAN.
COOL
–
Термостат
посылает
сигнал
только
на
Вентилятор
.
Вентилятор
работает
по
сигналу
термостата
в
помещении
на
охлаждение
в
летний
период
,
активное
движение
воздушных
масс
.
Данная
функция
аналогична
применению
дестратификатора
HEATER MIX.
Внимание
!
Вы
можете
использовать
дополнительную
перемычку
на
клеммы
4-5
пульта
COMFORT,
в
этом
случае
вы
будете
использовать
только
функцию
переключения
скоростей
вентилятора
I-II-III
и
переключатель
ON /
OFF.
Термостат
и
переключатели
HEAT / FAN / COOL
будут
неактивны
.
Дополнительные
перемычки
на
клеммы
4-5
могут
быть
применены
,
если
используется
какой
-
либо
другой
термостат
.