Обогреватели Sial Mirage 55 HP - инструкция пользователя по применению, эксплуатации и установке на русском языке. Мы надеемся, она поможет вам решить возникшие у вас вопросы при эксплуатации техники.
Если остались вопросы, задайте их в комментариях после инструкции.
"Загружаем инструкцию", означает, что нужно подождать пока файл загрузится и можно будет его читать онлайн. Некоторые инструкции очень большие и время их появления зависит от вашей скорости интернета.

RU
16
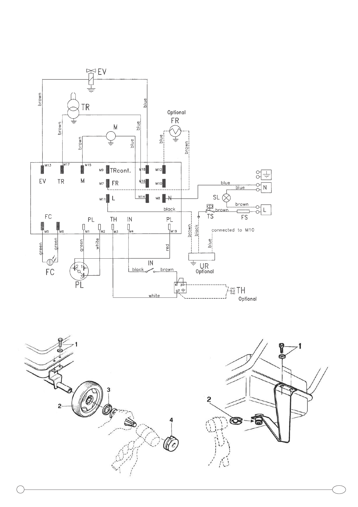
ЭЛЕКТРИЧЕСКИЕ СХЕМЫ - МОДЕЛЬ С ПОДОГРЕВАЕМЫМ СОПЛОМ И ФИЛЬТРОМ
EV
TR
SL
TS
FS
FC
PL
IN
FR
UR
М
ТН
Топливный электромагнитный клапан
Преобразователь
Двигатель
Индикатор
Предохранительное термореле
Горелка
Датчик пламени
Кнопка перезапуска
Выключатель
Комнатный термостат опция
Подогреваемый фильтр опция
Подогреваемое сопло
(
)
(
)
blue-
, brown-
, green-
red-
white-
синий
коричневый
зеленый,
красный,
белый
МОНТАЖ КОЛЕС
МОНТАЖ ОПОР
При сборке следуйте схеме
www.sial.ru
Содержание
- 3 Контроль
- 5 ТЕХНИЧЕСКИЕ ХАРАКТЕРИСТИКИ; дизельное
- 6 ЭЛЕКТРИЧЕСКИЕ СХЕМЫ - БАЗОВАЯ МОДЕЛЬ; ТН
- 7 ЭЛЕКТРИЧЕСКИЕ СХЕМЫ - МОДЕЛЬ С ПОДОГРЕВАЕМЫМ СОПЛОМ И ФИЛЬТРОМ; МОНТАЖ КОЛЕС













