Обогреватели ПКБ АРМА FRICO IR 6000 - инструкция пользователя по применению, эксплуатации и установке на русском языке. Мы надеемся, она поможет вам решить возникшие у вас вопросы при эксплуатации техники.
Если остались вопросы, задайте их в комментариях после инструкции.
"Загружаем инструкцию", означает, что нужно подождать пока файл загрузится и можно будет его читать онлайн. Некоторые инструкции очень большие и время их появления зависит от вашей скорости интернета.

IR3000, IR4500, IR6000
9
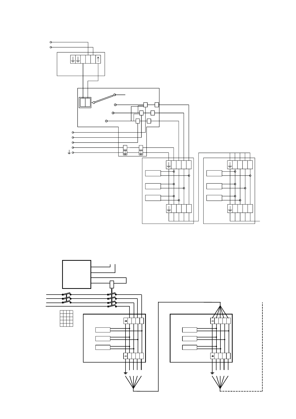
Control by relaybox with 3 step output control and presence detector
400V3N TAP16R / SKG30
N N L
PDK65
IR3000 / 6000
LLL111
TTT111
LLL333
TTT333
LLL222
TTT222
333
222
111
000
A
A
A
A
A
A111 222
L1
L2
L3
N
L3 L2 L1
N
L3 L2 L1
N
IR
L3 L2 L1
N
L3 L2 L1
N
IR
RB123
N
N
IR3000 / 6000 3/3
230V
~
L1 L2 L3
N
IR
L1 L2 L3
N
L1 L2 L3
N
L1 L2 L3
N
L
230V~
N
L2
L1
N
L3
L L
L 2 3
1
N
0
X X
X
X
X
X
3
2
1
1/3
3/3
2/3
S123
Thermostat
400V3N~
L L
L 2 3
1
N
IR
Control by thermostat, contactor and switch - for installations not covered by the
Ecodesign Regulation (EU) 2015/1188
Телефон: +7 (495) 545-47-99
E-mail: info@frico-tm.ru
www.frico-tm.ru