Обогреватели ПКБ АРМА FRICO IR 6000 - инструкция пользователя по применению, эксплуатации и установке на русском языке. Мы надеемся, она поможет вам решить возникшие у вас вопросы при эксплуатации техники.
Если остались вопросы, задайте их в комментариях после инструкции.
"Загружаем инструкцию", означает, что нужно подождать пока файл загрузится и можно будет его читать онлайн. Некоторые инструкции очень большие и время их появления зависит от вашей скорости интернета.

IR3000, IR4500, IR6000
7
L1
L2
L3
N
IR3000, 4500, 6000
400V3~
L1
L2
L3
N
L1
L2
L3
N
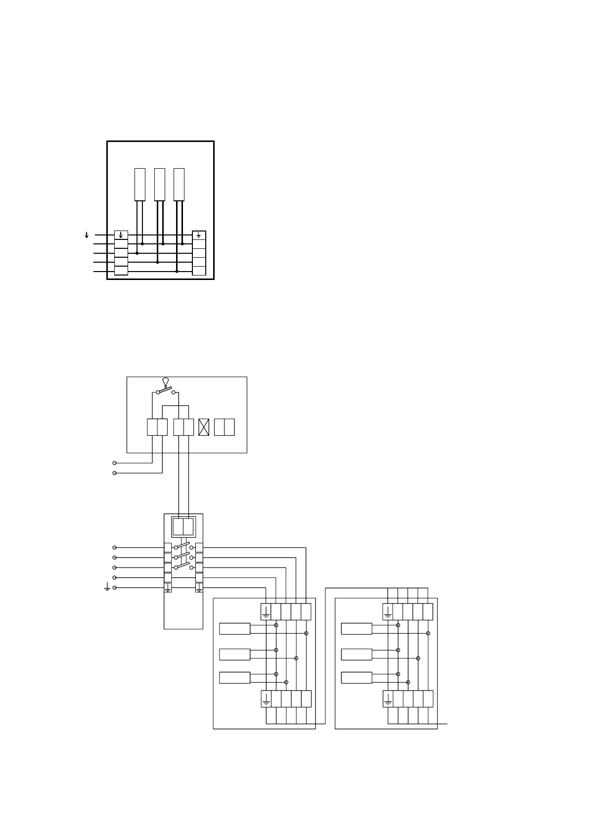
Wiring diagrams
Internal wiring diagram
Control by thermostat and relaybox
°C
230V
~
N
L
TAP16R
L1
L2
L3
L3 L2 L1
N
L3 L2 L1
N
400V3N TAP16R
N
A
A1
2
RB3
IR
L3 L2 L1
N
L3 L2 L1
N
IR
IR3000 / 6000
LOAD
LOAD
SENSOR
SENSOR
L1
L2
L3
N
T1
T2
N
T3
IR3000 / 6000 1/3
Телефон: +7 (495) 545-47-99
E-mail: info@frico-tm.ru
www.frico-tm.ru