Обогреватели Вулкан Leister System, 3×400В/11кВт 140.463 - инструкция пользователя по применению, эксплуатации и установке на русском языке. Мы надеемся, она поможет вам решить возникшие у вас вопросы при эксплуатации техники.
Если остались вопросы, задайте их в комментариях после инструкции.
"Загружаем инструкцию", означает, что нужно подождать пока файл загрузится и можно будет его читать онлайн. Некоторые инструкции очень большие и время их появления зависит от вашей скорости интернета.

6
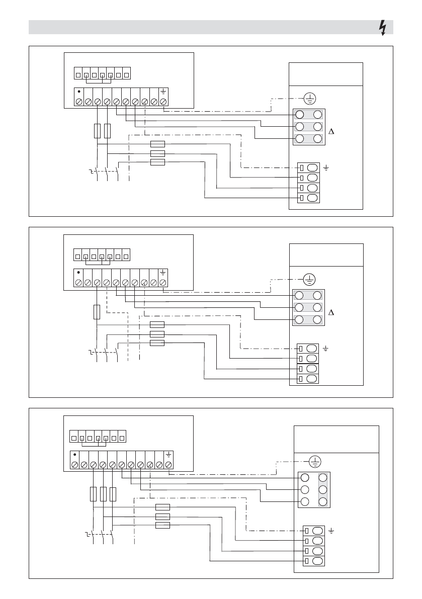
FU / FC Wiring Diagram
B1 B2 B3 B4 B5 B6 B7
+
L1 L2/N U V W PE PE
F1
(4A)
U1
V1
W1
V2
U2
W2
F2
(16 -32A)
S1
(32A)
Mains supply
Netzversorgung
3 x 230VAC
FC 550
input: 1 × 230VAC
output: 3 × 230VAC
Vulcan System
(3 x 230V)
L1
L2
L3
L1 L2 L3 PE
Power
Blower
-
3 × 230V
3 × 230V
Mains supply
Netzversorgung
3 x 230VAC
B1 B2 B3 B4 B5 B6 B7
+
L1 L2/N U V W PE PE
F1
(4A)
U1
V1
W1
V2
U2
W2
F2
(16 -32A)
S1
(32A)
Mains supply
Netzversorgung
3 x 400VAC
FC 550
Vulcan System
(3 x 400V)
L1
L2
L3
L1 L2 L3 N
PE
Mains supply
Netzversorgung
3 x 400VAC
input: 1 × 230VAC
output: 3 × 230VAC
Power
Blower
-
3 × 230V
3 × 400V
B1 B2 B3 B4 B5 B6 B7
+
L1 L2
U V W PE PE
F1
(4A)
U1
V1
W1
V2
U2
W2
F2
(16 -32A)
S1
(32A)
Mains supply
Netzversorgung
3 x 400VAC or 3 x 480VAC
Vulcan System
(3 x 400V or 3 x 480V)
L1
L2
L3
L1 L2 L3
PE
Power
Blower
Mains supply
Netzversorgung
3 x 400VAC or 3 x 480VAC
L3/N
input: 3 × 400-480VAC
output: 3 × 400-480VAC
Y- 3 × 400-480V
3 × 400V or
3 × 480V








