Обогреватели Калибр ТВ 15/18 00000046556 - инструкция пользователя по применению, эксплуатации и установке на русском языке. Мы надеемся, она поможет вам решить возникшие у вас вопросы при эксплуатации техники.
Если остались вопросы, задайте их в комментариях после инструкции.
"Загружаем инструкцию", означает, что нужно подождать пока файл загрузится и можно будет его читать онлайн. Некоторые инструкции очень большие и время их появления зависит от вашей скорости интернета.
Загружаем инструкцию

ПРИЛОЖЕНИЕ
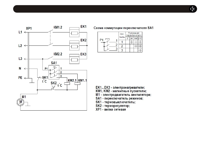
Рис.1.1 Схема электрическая на ТВ 12/18, ТВ 15/18
ТЕПЛОВЕНТИЛЯТОР
ТВ 12/18, ТВ 15/18
КАЛИБР
Содержание
- 3 Уважаемый покупатель!
- 4 После транспортирования при отрицательных температурах
- 7 ТЕХНИЧЕСКИЕ ХАРАКТЕРИСТИКИ; Технические характеристики указаны в табл. 1
- 9 ПОДГОТОВКА К РАБОТЕ
- 11 ТЕХНИЧЕСКОЕ ОБСЛУЖИВАНИЕ
- 12 ТРАНСПОРТИРОВАНИЕ И ХРАНЕНИЕ
- 13 ВОЗМОЖНЫЕ НЕИСПРАВНОСТИ И МЕТОДЫ ИХ УСТРАНЕНИЯ; Перечень возможных неисправностей приведен в таблице 3.
- 14 Электротепловентилятор Т; СВИДЕТЕЛЬСТВО О ПРИЕМКЕ
- 17 Рис. 3 Схема подключения розетки к стационарной сети; Вилка; Рис. 2 Схема контактов на вилке