Обогреватели Kalashnikov KVC-B10E6-01 104971 - инструкция пользователя по применению, эксплуатации и установке на русском языке. Мы надеемся, она поможет вам решить возникшие у вас вопросы при эксплуатации техники.
Если остались вопросы, задайте их в комментариях после инструкции.
"Загружаем инструкцию", означает, что нужно подождать пока файл загрузится и можно будет его читать онлайн. Некоторые инструкции очень большие и время их появления зависит от вашей скорости интернета.

17
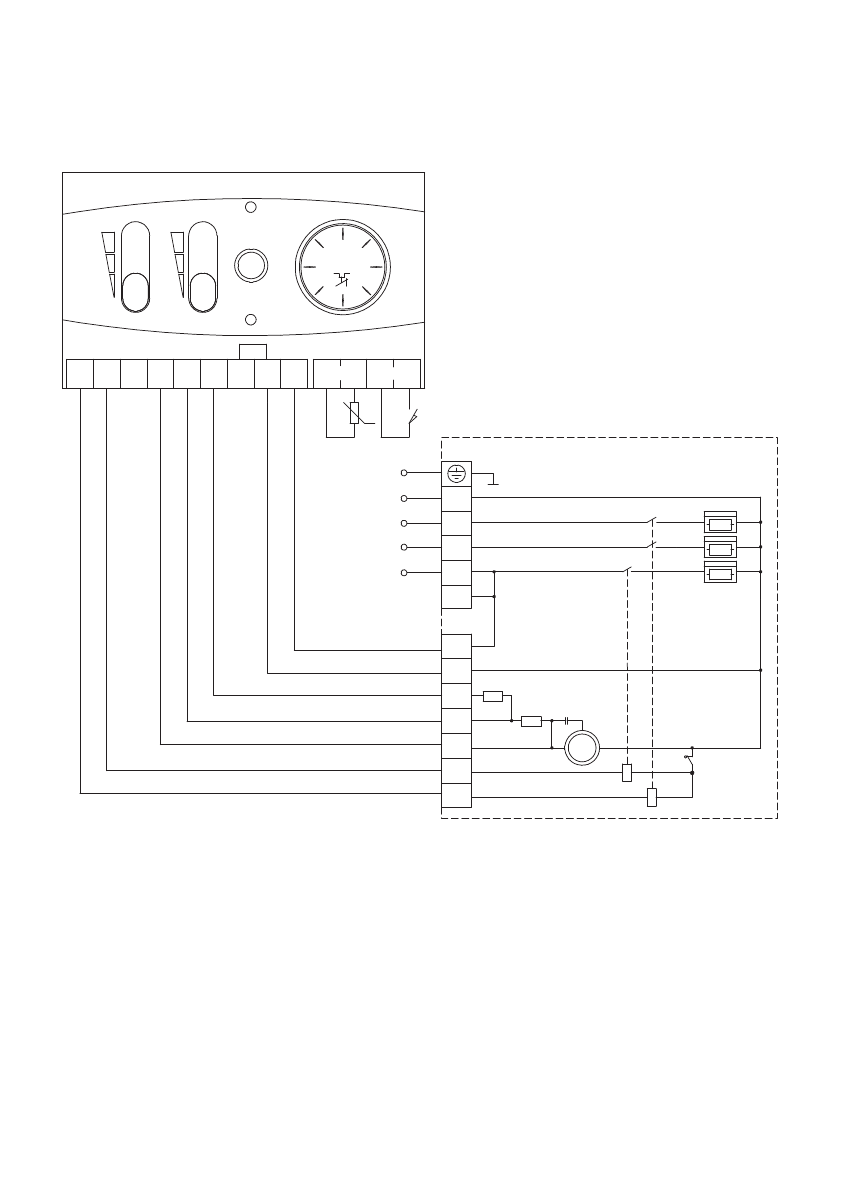
Рисунок 16. Принципиальная схема подключения завесы KVС-B10E6-01 к контроллеру
KRC-32
ХТ1
L1
L2
L3
N
EK2
EK3
EK1
KМ1.2
Тепловая завеса
5
6
8
9
4
2
KМ 2.2
ХТ2
L
1
R2
R1
С1
M1
~
KМ 1.1
KМ 2.1
SK2
*R1
<
R2
RK1
t
°
SQ1
ХТ3
ХТ4
1
2
3
4
5
6
7
8
9
NTC
DOOR
~400V
t,°C
SK1
S1
LED-1
(green)
SA2
SA1
LED-2
(red)
EК1 - ЕК3 - электронагреватели;
КМ1, КМ2 - контакторы;
LED1 - индикатор работы вентиляции;
LED2 - индикатор работы нагрева;
М1 - электродвигатель;
C1 - конденсатор;
R1, R2 - нагрузка;
S1 - кнопка ВКЛ/ВЫКЛ;
SQ1 - датчик двери;
SK1 - терморегулятор;
SK2 - защитный термостат без автовозврата;
ХТ1-XT4 - колодка клеммная;
SA2 - переключатель режимов вентиляции;
SA1 - переключатель режимов нагрева;
RK1 - термодатчик.













