Обогреватели Kalashnikov KVC-A15E9-31 - инструкция пользователя по применению, эксплуатации и установке на русском языке. Мы надеемся, она поможет вам решить возникшие у вас вопросы при эксплуатации техники.
Если остались вопросы, задайте их в комментариях после инструкции.
"Загружаем инструкцию", означает, что нужно подождать пока файл загрузится и можно будет его читать онлайн. Некоторые инструкции очень большие и время их появления зависит от вашей скорости интернета.

13
Рисунок 11. Принципиальная схема завесы KVC-A15E6-11 к контроллеру KRC-32
ÕÒ1
N
L
M1
~
M2
~
KÌ1.1
KÌ1.2
KÌ1.3
EK1.1
EK2.1
EK1.2
EK2.2
SK2
SK1
~230V
SA1
SA2.1
SA2.2
EK1, ÅÊ2 - ýëåêòðîíàãðåâàòåëè ;
ÊÌ1 - ýëåêòðîìàãíèòíîå ðåëå ;
Ì1, Ì2 - ýëåêòðîäâèãàòåëü ;
SÊ1, SK2 - çàùèòíûé òåðìîñòàò ;
ÕÒ1 - êîëîäêà êëåììíàÿ ;
SA1 - êëàâèøà âêëþ÷åíèÿ âåíòèëÿöèè ;
SA2 - êëàâèøà âêëþ÷åíèÿ íàãðåâà .
KVÑ-À0,8E5-11
Ïðèíöèïèà ëüíàÿ ñõåìà çàâåñ û ñî ñòè÷ íàãðåâà òåëüíûì ýëåìåíòîì
EK1.1
EK2.1
EK1.2
EK2.2
SK2
SK1
SA1
SA2.1
SA2.2
EK1, ÅÊ2 - ýëåêòðîíàãðåâàòåëè ;
Ì1, Ì2 - ýëåêòðîäâèãàòåëü ;
SÊ1, SK2 - çàùèòíûé òåðìîñòàò ;
SA1 - êëàâèøà âêëþ÷åíèÿ âåíòèëÿöèè ;
SA2 - êëàâèøà âêëþ÷åíèÿ íàãðåâà .
KVÑ-À0,8E3-11
Ïðèíöèïèàë üíàÿ ñõåìà çàâåñû ñî ñòè÷ íàãðåâàòåëüí ûì ýëåìåíòîì
M1
~
M2
~
Òåïëîâàÿ çàâåñà
Òåïëîâàÿ çàâåñà
~230V
~230V
ХТ1
N
Тепловая завеса
L
E
E
E
E
E
E
K
K
K
K
K
K
1.1
2.1
3.1
1.2
2.2
3.2
K
K
М
М
1
2
.2
.2
SA 2.1
SA2.2
K М 2.1
KМ1.1
SA1
M1
~
M2
~
M3
~
~400V
KМ 1.2
K М 2.2
L1
L2
L3
N
EK
EK
EK 3.1
EK1.2
2.2
ХТ1
EK
EK 3.2
SA 2.1
SA 2.2
K М 2.1
KМ 1.1
SA1
M1
~
M2
~
M3
~
N
L
ÐÅ
EК1, ЕК2, ЕК3 - электронагреватели;
КМ1, КМ2 - электромагнитное реле;
М1, М2, М3 - электродвигатель;
SК1, SK2, SK3 - защитный термостат;
ХТ1 - колодка клеммная;
SA1 - клавиша включения вентиляции;
SA2 - клавиша включения нагрева.
S 1
S 2
S 3
K
K
K
EК1, ЕК2, ЕК3 - электронагреватели;
КМ1, КМ2 - электромагнитный контактор;
М1, М2, М3 - электродвигатель;
SК1, SK2, SK2 - защитный термостат;
ХТ1 - колодка клеммная;
SA1 - клавиша включения вентиляции;
SA2 - клавиша включения нагрева.
1.1
2.1
SK 2
SK 3
SK 1
Тепловая завеса
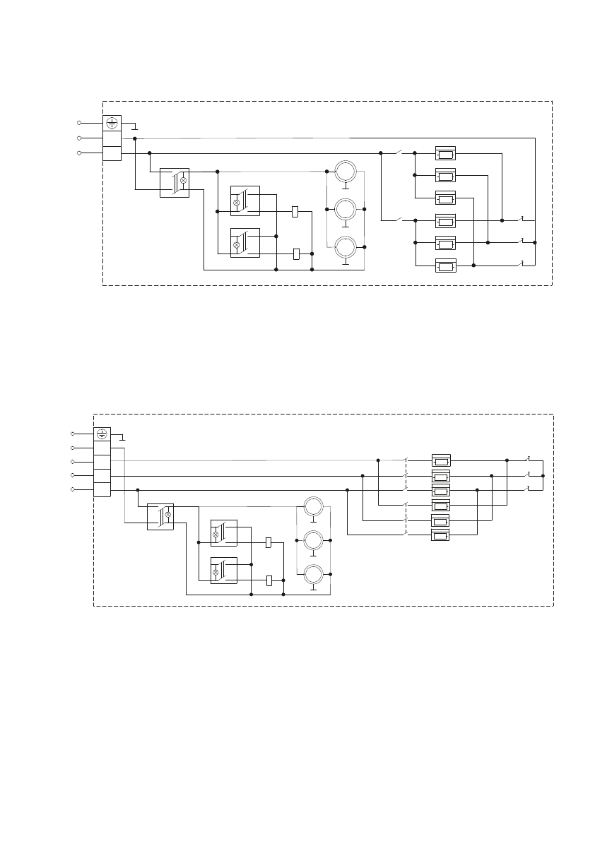
Рисунок 12. Принципиальная схема завесы KVC-A15E9-31 к контроллеру KRC-32
ÕÒ1
N
L
M1
~
M2
~
KÌ1.1
KÌ1.2
KÌ1.3
EK1.1
EK2.1
EK1.2
EK2.2
SK2
SK1
~230V
SA1
SA2.1
SA2.2
EK1, ÅÊ2 - ýëåêòðîíàãðåâàòåëè ;
ÊÌ1 - ýëåêòðîìàãíèòíîå ðåëå ;
Ì1, Ì2 - ýëåêòðîäâèãàòåëü ;
SÊ1, SK2 - çàùèòíûé òåðìîñòàò ;
ÕÒ1 - êîëîäêà êëåììíàÿ ;
SA1 - êëàâèøà âêëþ÷åíèÿ âåíòèëÿöèè ;
SA2 - êëàâèøà âêëþ÷åíèÿ íàãðåâà .
KVÑ-À0,8E5-11
Ïðèíöèïèà ëüíàÿ ñõåìà çàâåñ û ñî ñòè÷ íàãðåâà òåëüíûì ýëåìåíòîì
EK1.1
EK2.1
EK1.2
EK2.2
SK2
SK1
SA1
SA2.1
SA2.2
EK1, ÅÊ2 - ýëåêòðîíàãðåâàòåëè ;
Ì1, Ì2 - ýëåêòðîäâèãàòåëü ;
SÊ1, SK2 - çàùèòíûé òåðìîñòàò ;
SA1 - êëàâèøà âêëþ÷åíèÿ âåíòèëÿöèè ;
SA2 - êëàâèøà âêëþ÷åíèÿ íàãðåâà .
KVÑ-À0,8E3-11
Ïðèíöèïèàë üíàÿ ñõåìà çàâåñû ñî ñòè÷ íàãðåâàòåëüí ûì ýëåìåíòîì
M1
~
M2
~
Òåïëîâàÿ çàâåñà
Òåïëîâàÿ çàâåñà
~230V
~230V
ХТ1
N
Тепловая завеса
L
E
E
E
E
E
E
K
K
K
K
K
K
1.1
2.1
3.1
1.2
2.2
3.2
K
K
М
М
1
2
.2
.2
SA 2.1
SA2.2
K М 2.1
KМ1.1
SA1
M1
~
M2
~
M3
~
~400V
KМ 1.2
K М 2.2
L1
L2
L3
N
EK
EK
EK 3.1
EK1.2
2.2
ХТ1
EK
EK 3.2
SA 2.1
SA 2.2
K М 2.1
KМ 1.1
SA1
M1
~
M2
~
M3
~
N
L
ÐÅ
EК1, ЕК2, ЕК3 - электронагреватели;
КМ1, КМ2 - электромагнитное реле;
М1, М2, М3 - электродвигатель;
SК1, SK2, SK3 - защитный термостат;
ХТ1 - колодка клеммная;
SA1 - клавиша включения вентиляции;
SA2 - клавиша включения нагрева.
S 1
S 2
S 3
K
K
K
EК1, ЕК2, ЕК3 - электронагреватели;
КМ1, КМ2 - электромагнитный контактор;
М1, М2, М3 - электродвигатель;
SК1, SK2, SK2 - защитный термостат;
ХТ1 - колодка клеммная;
SA1 - клавиша включения вентиляции;
SA2 - клавиша включения нагрева.
1.1
2.1
SK 2
SK 3
SK 1
Тепловая завеса













