Обогреватели Kalashnikov KVC-A15E9-31 - инструкция пользователя по применению, эксплуатации и установке на русском языке. Мы надеемся, она поможет вам решить возникшие у вас вопросы при эксплуатации техники.
Если остались вопросы, задайте их в комментариях после инструкции.
"Загружаем инструкцию", означает, что нужно подождать пока файл загрузится и можно будет его читать онлайн. Некоторые инструкции очень большие и время их появления зависит от вашей скорости интернета.

12
Рисунок 9. Принципиальная схема завесы KVC-A08E5-11
RK1
t
°
ХТ3
ХТ4
1
2
3
4
5
6
7
8
9
NTC
DOOR
~230V
t,°C
SK1
S1
LED-1
(green)
SA2
SA1
LED-2
(red)
ХТ1
N
Тепловая завеса
5
6
8
9
4
2
ХТ2
1
KМ 1.1
K М 2.1
L
M1
~
M2
~
EK1.1
EK2.1
EK1.2
EK2.2
KМ1.2
KМ 2.2
M3
~
EK3.1
EK3.2
SK2
SK3
SK4
KVС-А15E6-11
Принципиа льная схема подключения завесы со стич нагреватель ным эле ментом к контролл еру
KRC-32
RK1
t
°
ХТ3
ХТ4
1
2
3
4
5
6
7
8
9
NTC
DOOR
~400V
t,°C
SK1
S1
LED-1
(green)
SA2
SA1
LED-2
(red)
Тепловая завеса
5
6
8
9
4
2
ХТ2
1
K М1.1
K М2.1
M1
~
M2
~
K М 1.2
KМ 2.2
M3
~
KVС-А15E9-31
Принципиальная схе ма подключения завесы со стич нагревате льным элементо м к контро ллеру
KRC-32
L1
L2
L3
N
EK1.1
EK2.1
EK3.1
EK1.2
EK2.2
EK3.2
SK3
SK4
SK2
ХТ1
N
L
M1
~
M2
~
K М1.1
K М1.2
K М 1.3
EK1.1
EK2.1
EK1.2
EK2.2
SK2
SK1
~230V
SA1
SA 2.1
SA2.2
KVС-А0,8E5-11
Принципиальная схема завесы со стич нагревательн ым элементом
KVС-А0,8E3-11
Принципиальная схе ма завесы со стич нагревательным элементом
ХТ1
Тепловая завеса
Принципиальная схема груп пового подк лючения завес
9КВт со стич нагреватель ным эле ментом к контрол леру
KRC-32.
RK1
t
°
~400V
ХТ3
ХТ4
ХТ1
L1
L2
L3
N
Тепловая завеса
5
6
8
9
4
2
ХТ2
1
ХТn
L1
L2
L3
N
Тепловая завеса
5
6
8
9
4
2
ХTn
1
N
N
N
N
N
N
1
2
3
4
5
6
7
8
9
NTC
DOOR
QF1
N
L1
L2
L3
t,°C
SK1
S1
LED-1
(green)
SA2
SA1
LED-2
(red)
Принципиальная схема гру ппово го подк лючения завес
6КВТ со стич нагревательн ым элементом к контролле ру
KRC-32.
t
°
RK1
1
2
3
4
5
6
7
8
9
NTC
DOOR
ХТ4
ХТ3
QF1
N
L
L
N
5
6
8
9
4
ХТ2
ХТn
L
N
Тепловая завеса
ХТn
ХТ1
Тепловая завеса
~230V
t,°C
SK1
S1
LED-1
(green)
SA2
SA1
LED-2
(red)
1
2
5
6
8
9
4
1
2
EК1 - ЕК3 - электронагреватели;
КМ1, КМ2 - электромагнитные реле;
LED1 - индикатор работы вентиляции;
LED2 - индикатор работы нагрева;
М1-М3 - электродвигатель;
S1 - кнопка ВКЛ/ВЫКЛ;
SK1 - терморегулятор;
SK2-SK4 - защитный термостат;
ХТ1-XT4 - колодка клеммная;
SA2 - переключатель режимов вентиляции;
SA1 - переключатель режимов нагрева;
RK1 - термодатчик.
EK1 - ЕК3 - электронагреватели;
КМ1, КМ2 - контактор;
LED1 - индикатор работы вентиляции;
LED2 - индикатор работы нагрева;
М1-М3 - электродвигатель;
S1 - кнопка ВКЛ/ВЫКЛ;
SK1 - терморегулятор;
SK2-SK4 - защитный термостат;
ХТ1-XT4 - колодка клеммная;
SA2 - переключатель режимов вентиляции;
SA1 - переключатель режимов нагрева;
RK1 - термодатчик.
N
N
N
N
N
N
N
N
N
N
N
N
LED1 - индикатор работы вентиляции;
LED2 - индикатор работы нагрева;
S1 - кнопка ВКЛ/ВЫКЛ;
SK1 - терморегулятор;
ХТ1-XTn - колодка клеммная;
SA2 - переключатель режимов вентиляции;
SA1 - переключатель режимов нагрева;
RK1 - термодатчик;
QF1 - автоматический выключатель.
LED1 - индикатор работы вентиляции;
LED2 - индикатор работы нагрева;
S1 - кнопка ВКЛ/ВЫКЛ;
SK1 - терморегулятор;
ХТ1-ХТn - колодка клеммная;
SA2 - переключатель режимов вентиляции;
SA1 - переключатель режимов нагрева;
RK1 - термодатчик;
QF1 - автоматический выключатель.
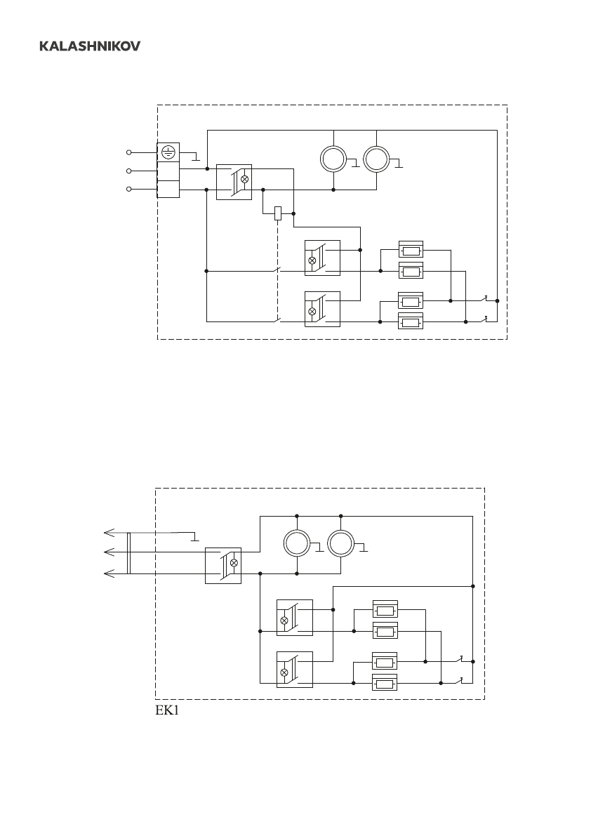
EK1, ЕК2 - электронагреватели;
КМ1 - электромагнитное реле;
М1, М2 - электродвигатель;
SК1, SK2 - защитный термостат;
ХТ1 - колодка клеммная;
SA1 - клавиша включения вентиляции;
SA2 - клавиша включения нагрева.
, ЕК2 - электронагреватели;
М1, М2 - электродвигатель;
SК1, SK2 - защитный термостат;
ХТ1 - колодка клеммная;
SA1 - клавиша включения вентиляции;
SA2 - клавиша включения нагрева.
EK1.1
EK2.1
EK1.2
EK2.2
SK2
SK1
SA1
SA2.1
SA2.2
M1
~
M2
~
Тепловая завеса
~230V
Рисунок 10. Принципиальная схема завесы KVC-A08E3-11
RK1
t
°
ХТ3
ХТ4
1
2
3
4
5
6
7
8
9
NTC
DOOR
~230V
t,°C
SK1
S1
LED-1
(green)
SA2
SA1
LED-2
(red)
ХТ1
N
Тепловая завеса
5
6
8
9
4
2
ХТ2
1
KМ 1.1
K М 2.1
L
M1
~
M2
~
EK1.1
EK2.1
EK1.2
EK2.2
KМ1.2
KМ 2.2
M3
~
EK3.1
EK3.2
SK2
SK3
SK4
KVС-А15E6-11
Принципиа льная схема подключения завесы со стич нагреватель ным эле ментом к контролл еру
KRC-32
RK1
t
°
ХТ3
ХТ4
1
2
3
4
5
6
7
8
9
NTC
DOOR
~400V
t,°C
SK1
S1
LED-1
(green)
SA2
SA1
LED-2
(red)
Тепловая завеса
5
6
8
9
4
2
ХТ2
1
K М1.1
K М2.1
M1
~
M2
~
K М 1.2
KМ 2.2
M3
~
KVС-А15E9-31
Принципиальная схе ма подключения завесы со стич нагревате льным элементо м к контро ллеру
KRC-32
L1
L2
L3
N
EK1.1
EK2.1
EK3.1
EK1.2
EK2.2
EK3.2
SK3
SK4
SK2
ХТ1
N
L
M1
~
M2
~
K М1.1
K М1.2
K М 1.3
EK1.1
EK2.1
EK1.2
EK2.2
SK2
SK1
~230V
SA1
SA 2.1
SA2.2
KVС-А0,8E5-11
Принципиальная схема завесы со стич нагревательн ым элементом
KVС-А0,8E3-11
Принципиальная схе ма завесы со стич нагревательным элементом
ХТ1
Тепловая завеса
Принципиальная схема груп пового подк лючения завес
9КВт со стич нагреватель ным эле ментом к контрол леру
KRC-32.
RK1
t
°
~400V
ХТ3
ХТ4
ХТ1
L1
L2
L3
N
Тепловая завеса
5
6
8
9
4
2
ХТ2
1
ХТn
L1
L2
L3
N
Тепловая завеса
5
6
8
9
4
2
ХTn
1
N
N
N
N
N
N
1
2
3
4
5
6
7
8
9
NTC
DOOR
QF1
N
L1
L2
L3
t,°C
SK1
S1
LED-1
(green)
SA2
SA1
LED-2
(red)
Принципиальная схема гру ппово го подк лючения завес
6КВТ со стич нагревательн ым элементом к контролле ру
KRC-32.
t
°
RK1
1
2
3
4
5
6
7
8
9
NTC
DOOR
ХТ4
ХТ3
QF1
N
L
L
N
5
6
8
9
4
ХТ2
ХТn
L
N
Тепловая завеса
ХТn
ХТ1
Тепловая завеса
~230V
t,°C
SK1
S1
LED-1
(green)
SA2
SA1
LED-2
(red)
1
2
5
6
8
9
4
1
2
EК1 - ЕК3 - электронагреватели;
КМ1, КМ2 - электромагнитные реле;
LED1 - индикатор работы вентиляции;
LED2 - индикатор работы нагрева;
М1-М3 - электродвигатель;
S1 - кнопка ВКЛ/ВЫКЛ;
SK1 - терморегулятор;
SK2-SK4 - защитный термостат;
ХТ1-XT4 - колодка клеммная;
SA2 - переключатель режимов вентиляции;
SA1 - переключатель режимов нагрева;
RK1 - термодатчик.
EK1 - ЕК3 - электронагреватели;
КМ1, КМ2 - контактор;
LED1 - индикатор работы вентиляции;
LED2 - индикатор работы нагрева;
М1-М3 - электродвигатель;
S1 - кнопка ВКЛ/ВЫКЛ;
SK1 - терморегулятор;
SK2-SK4 - защитный термостат;
ХТ1-XT4 - колодка клеммная;
SA2 - переключатель режимов вентиляции;
SA1 - переключатель режимов нагрева;
RK1 - термодатчик.
N
N
N
N
N
N
N
N
N
N
N
N
LED1 - индикатор работы вентиляции;
LED2 - индикатор работы нагрева;
S1 - кнопка ВКЛ/ВЫКЛ;
SK1 - терморегулятор;
ХТ1-XTn - колодка клеммная;
SA2 - переключатель режимов вентиляции;
SA1 - переключатель режимов нагрева;
RK1 - термодатчик;
QF1 - автоматический выключатель.
LED1 - индикатор работы вентиляции;
LED2 - индикатор работы нагрева;
S1 - кнопка ВКЛ/ВЫКЛ;
SK1 - терморегулятор;
ХТ1-ХТn - колодка клеммная;
SA2 - переключатель режимов вентиляции;
SA1 - переключатель режимов нагрева;
RK1 - термодатчик;
QF1 - автоматический выключатель.
EK1, ЕК2 - электронагреватели;
КМ1 - электромагнитное реле;
М1, М2 - электродвигатель;
SК1, SK2 - защитный термостат;
ХТ1 - колодка клеммная;
SA1 - клавиша включения вентиляции;
SA2 - клавиша включения нагрева.
, ЕК2 - электронагреватели;
М1, М2 - электродвигатель;
SК1, SK2 - защитный термостат;
ХТ1 - колодка клеммная;
SA1 - клавиша включения вентиляции;
SA2 - клавиша включения нагрева.
EK1.1
EK2.1
EK1.2
EK2.2
SK2
SK1
SA1
SA2.1
SA2.2
M1
~
M2
~
Тепловая завеса
~230V













