Обогреватели Hyundai H-HV8-10 - инструкция пользователя по применению, эксплуатации и установке на русском языке. Мы надеемся, она поможет вам решить возникшие у вас вопросы при эксплуатации техники.
Если остались вопросы, задайте их в комментариях после инструкции.
"Загружаем инструкцию", означает, что нужно подождать пока файл загрузится и можно будет его читать онлайн. Некоторые инструкции очень большие и время их появления зависит от вашей скорости интернета.
Загружаем инструкцию

10.
Electric convector
EN
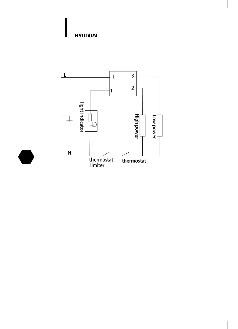
8. ELECTRICAL CIRCUIT DIAGRAM
Содержание
- 11 Содержание
- 12 Уважаемый покупатель!; Описание
- 13 Комплектация
- 14 Технические параметры; ОБЩИЕ ПРАВИЛА БЕЗОПАСНОСТИ
- 16 УСТАНОВКА КОНВЕКТОРА НА СТЕНУ
- 17 Установка конвектора на ножки; ПОДКЛЮЧЕНИЕ К ЭЛЕКТРИЧЕСКОЙ СЕТИ
- 19 ПОИСК И УСТРАНЕНИЕ НЕИСПРАВНОСТЕЙ; Неисправность
- 21 УВАЖАЕМЫЙ ПОКУПАТЕЛЬ!
- 23 Гарантийные обязательства
- 24 Заполнение гарантийного талона
- 25 Изготовитель оставляет за собой право:; Досрочное прекращение гарантийного обслуживания.
- 27 Газовое оборудование
- 28 Водонагревательное оборудование
- 30 Кондиционеры, устройства с компрессором
- 31 Электрические обогреватели
- 32 Накопительные водонагреватели:; Электрические конвекторы:
- 35 Сведения об установке изделия
- 38 Отрывной талон «A»; Отрывной талон «В»; Отрывной талон «Г»
- 39 Профилактическое обслуживание изделия.
- 41 Вниманию покупателей!
Характеристики
Остались вопросы?Не нашли свой ответ в руководстве или возникли другие проблемы? Задайте свой вопрос в форме ниже с подробным описанием вашей ситуации, чтобы другие люди и специалисты смогли дать на него ответ. Если вы знаете как решить проблему другого человека, пожалуйста, подскажите ему :)
Часто задаваемые вопросы
Как посмотреть инструкцию к Hyundai H-HV8-10?
Необходимо подождать полной загрузки инструкции в сером окне на данной странице
Руководство на русском языке?
Все наши руководства представлены на русском языке или схематично, поэтому вы без труда сможете разобраться с вашей моделью
Как скопировать текст из PDF?
Чтобы скопировать текст со страницы инструкции воспользуйтесь вкладкой "HTML"