Обогреватели Hintek Т-24380, 24 кВт 04.000045 - инструкция пользователя по применению, эксплуатации и установке на русском языке. Мы надеемся, она поможет вам решить возникшие у вас вопросы при эксплуатации техники.
Если остались вопросы, задайте их в комментариях после инструкции.
"Загружаем инструкцию", означает, что нужно подождать пока файл загрузится и можно будет его читать онлайн. Некоторые инструкции очень большие и время их появления зависит от вашей скорости интернета.

17
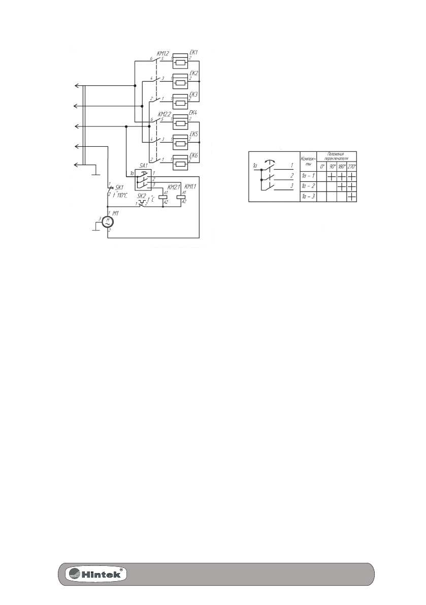
EK1- EK6 - электронагреватели
KM1, КМ2 - контакторы
M1 - электродвигатель вентилятора
SA1 - переключатель режимов
SK1 - термовыключатель
SK2 - терморегулятор
ХТ1 - колодка клеммная
ХТ1
L1
L2
L3
N
PE
Схема коммутации переключателя SA1
Схема электрическая Т-12380, Т-15380, Т-18380, Т-24380, Т-30380