Обогреватели Hintek Т-24380, 24 кВт 04.000045 - инструкция пользователя по применению, эксплуатации и установке на русском языке. Мы надеемся, она поможет вам решить возникшие у вас вопросы при эксплуатации техники.
Если остались вопросы, задайте их в комментариях после инструкции.
"Загружаем инструкцию", означает, что нужно подождать пока файл загрузится и можно будет его читать онлайн. Некоторые инструкции очень большие и время их появления зависит от вашей скорости интернета.

16
ПРИЛОЖЕНИЕ
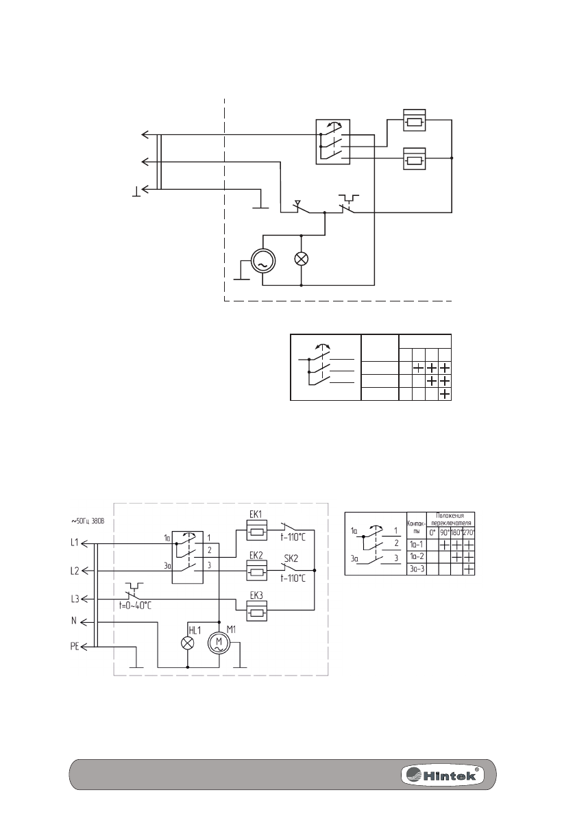
Схема электрическая Т-03220, Т-05220
ХТ1
EK1- EK3 - электронагреватели
МL1 - индикатор сети
M1 - электродвигатель вентилятора
SA1 - переключатель режимов
SK1 -SK2 - термовыключатели
SK3 - терморегулятор
ХТ1 - колодка клеммная
SK3
Схема коммутации переключателя SA1
SK1
SA1
Схема электрическая Т-06380, Т-09380
ХТ1
SA1
EK1
EK2
M1
M
HL1
P1
EK1, EK2 - электронагреватели
М1 - электронагреватель вентилятора
SA1 - переключатель режимов
SK1 - термовыключатель
SK2 - терморегулятор
ХТ1 - колодка клеммная
Схема коммутации переключателя SA1
SK1
SK2
1
2
1
1
2
1
2
3
2
2
3
1
1
2
1
2
t
0
t110
0
C
L
N
кор
кор
син
син
3
ж-з
~50Гц 220В
P1
P1-1
P1-2
P1-3
Положения
переключателя
Контакты
0
0
90
0
180
0
270
0