Обогреватели Hintek RP-0306-D 3 кВт 04.03.01.214395 - инструкция пользователя по применению, эксплуатации и установке на русском языке. Мы надеемся, она поможет вам решить возникшие у вас вопросы при эксплуатации техники.
Если остались вопросы, задайте их в комментариях после инструкции.
"Загружаем инструкцию", означает, что нужно подождать пока файл загрузится и можно будет его читать онлайн. Некоторые инструкции очень большие и время их появления зависит от вашей скорости интернета.
Загружаем инструкцию

19
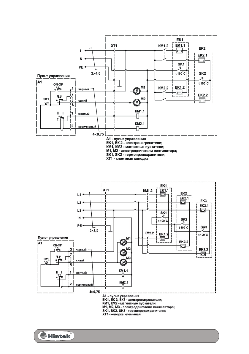
Рис. 9 Схема электрическая завес RP-0610-DY (220)
ПРИЛОЖЕНИЕ
Рис.10 Схема электрическая завес RP-0915-3DY (380)
Содержание
- 3 СОДЕРЖАНИЕ
- 5 ТРЕБОВАНИЯ БЕЗОПАСНОСТИ
- 6 ТЕХНИЧЕСКИЕ ХАРАКТЕРИСТИКИ
- 7 УСТРОЙСТВО И ПРИНЦИП РАБОТЫ
- 8 ПОДГОТОВКА К РАБОТЕ
- 12 При транспортировании должны быть исключены
- 13 внутри транспортного средства.; После транспортирования или хранения заве-; СВИДЕТЕЛЬСТВО О ПРИЕМКЕ; изготовлен и принят в соответствии с обязательными требова-
- 14 Перечень возможных неисправностей приведен в таблице 4.; Таблица 4
- 15 ГАРАНТИИ ИЗГОТОВИТЕЛЯ
- 16 ПРИЛОЖЕНИЕ; Рис. 3 Габаритные и установочные размеры