Обогреватели Hintek RM-1215-3D-Y 12 кВт 05.000042 - инструкция пользователя по применению, эксплуатации и установке на русском языке. Мы надеемся, она поможет вам решить возникшие у вас вопросы при эксплуатации техники.
Если остались вопросы, задайте их в комментариях после инструкции.
"Загружаем инструкцию", означает, что нужно подождать пока файл загрузится и можно будет его читать онлайн. Некоторые инструкции очень большие и время их появления зависит от вашей скорости интернета.

17
A1
A2
A1
A2
5
3
4
1
O N -O F
II
I
t
6
A1
X T 2
X T 3
M
M1
С1
КМ 1 . 2
КМ 2 . 2
КМ 1 . 1
КМ 2 . 1
E K 1
EK2
SK 1
t
SK3
EK3
L1
PE
N
L2
L3
4 0 , 75
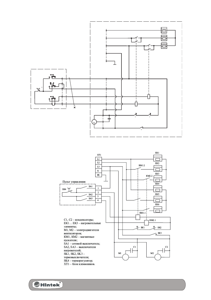
А1 - пульт управления
С1 - конденсатор
ЕК1 ...ЕК 3 - электронагреватели
КМ 1, КМ2 - магнитные пускатели
М1 - электродвигатель вентилятора
S K 1... SK3 - термоограничители
ХТ1...ХТ3 - колодки клеммные
че рн ый
си н и й
же л т ый
к ор ичне в ы й
t
S K 2
t
X T 1
Пульт управления
Схема электрическая RM-0610-DY, RM-0615/0915/1215-3DY
Схема электрическая RM-1220/1820/2420-3DY
Содержание
- 3 СОДЕРЖАНИЕ
- 5 ТРЕБОВАНИЯ БЕЗОПАСНОСТИ
- 6 ТЕХНИЧЕСКИЕ ХАРАКТЕРИСТИКИ
- 7 УСТРОЙСТВО И ПРИНЦИП РАБОТЫ
- 8 ПОДГОТОВКА К РАБОТЕ
- 11 ТЕХНИЧЕСКОЕ ОБСЛУЖИВАНИЕ
- 13 По заказу / организация, уполномоченная принимать претен-; СВИДЕТЕЛьСТВО О ПРИЕМКЕ; Воздушно-тепловая завеса имеет сертификат соответствия.
- 14 Перечень возможных неисправностей приведен в Таблице 4.
- 15 ГАРАНТИИ ИЗГОТОВИТЕЛЯ