Обогреватели Hintek AR-40 IP54 4 кВт 04.07.01.214399 - инструкция пользователя по применению, эксплуатации и установке на русском языке. Мы надеемся, она поможет вам решить возникшие у вас вопросы при эксплуатации техники.
Если остались вопросы, задайте их в комментариях после инструкции.
"Загружаем инструкцию", означает, что нужно подождать пока файл загрузится и можно будет его читать онлайн. Некоторые инструкции очень большие и время их появления зависит от вашей скорости интернета.
Загружаем инструкцию

17
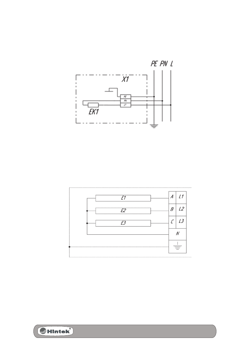
ПРИЛОЖЕНИЕ
Рисунок 5 - Принципиальная схема и способы
подключения обогревателей AR-11/14/20/28 .
Рисунок 6 - Принципиальная схема
и способы подключения обогревателей AR-40.
Содержание
- 3 СОДЕРЖАНИЕ; Возможные неисправности
- 4 ТРЕБОВАНИЯ БЕЗОПАСНОСТИ
- 6 ТЕХНИЧЕСКИЕ ХАРАКТЕРИСТИКИ
- 7 УСТРОЙСТВО И ПРИНЦИП РАБОТЫ
- 8 ПОДгОТОВКА К РАБОТЕ
- 10 - использовать в качестве заземления водопроводные
- 11 ЗАПРЕЩАЕТСЯ использовать для крепления:
- 14 Перечень возможных неисправностей приведен в Таблице 3.
- 15 ли инфракрасные Hintek модели IF, IW, AR» и признан годным
- 16 гАРАНТИИ ИЗгОТОВИТЕЛЯ
- 17 ПРИЛОЖЕНИЕ













