Обогреватели Galaxy LINE гл8226лбел - инструкция пользователя по применению, эксплуатации и установке на русском языке. Мы надеемся, она поможет вам решить возникшие у вас вопросы при эксплуатации техники.
Если остались вопросы, задайте их в комментариях после инструкции.
"Загружаем инструкцию", означает, что нужно подождать пока файл загрузится и можно будет его читать онлайн. Некоторые инструкции очень большие и время их появления зависит от вашей скорости интернета.

KAZ
24
24
ПАЙДАЛАНУ ЖӨНІНДЕГІ НҰСҚАУЛЫҚ
- Тірек аяқшаларды құралдың төменгі бөлігіне сол және оң жақтармен
бекітпе саңылаулардың құрал корпусындағы саңылауларға сай келетіндей
етіп орнатыңыз.
- Бекіткіш бұрандаларды қолда бар саңылауларға, бұл ретте жеткілікті күш
салумен бұраңыз. Бекітілудің сенімділігін тексеріңіз.
- Құралды дұрыс күйге аударыңыз және оны қатаң тік күйде тегіс, көлденең
бетке орнатыңыз. Құрал жұмысқа дайын.
НАЗАР АУДАРЫҢЫЗ!
Құралды еденде немесе басқа беттерде тірек
аяқшаларсыз қолдануға тыйым салынады!
НАЗАР АУДАРЫҢЫЗ!
Өндіруші өзіне түрлі топтамалар үшін алдын-ала
хабарландырусыз, бұл ретте бұйымның негізгі техникалық сипаттамала-
рына әсер етпеумен немесе оларды жақсартумен, бұйымның толымдаушы
бөліктерін өзгерту құқығын қалдырады.Монтаж и установка обогревателя
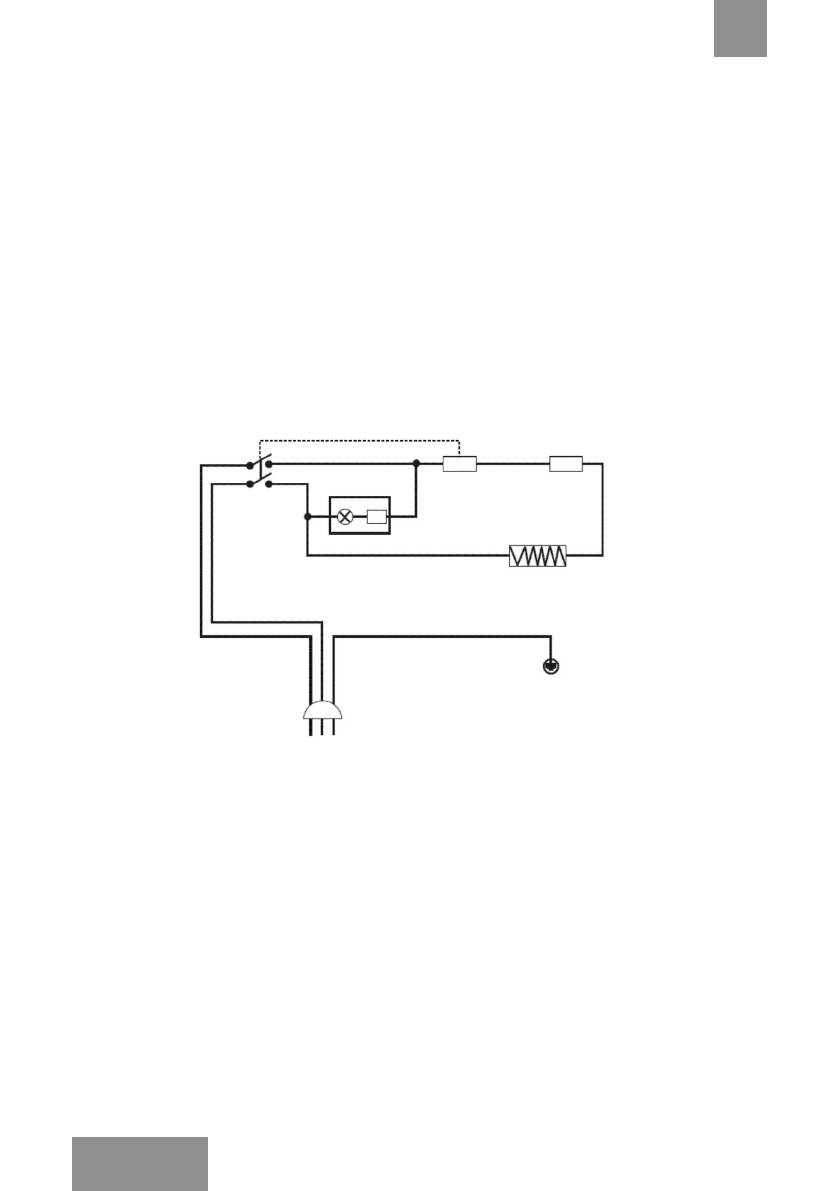
6.4 Электр сымдар жүйесінің сызбасы
Ажыратқыш
Индикатор
Режимдерін
ауыстырғыш
Термостаттың
реттеуіші
Қыздырғыш
элемент
7 ЖҰМЫС ТӘРТІБІ
Құралды орнату бойынша нұсқауларды сақтаумен орнатыңыз. Қуат
режимдерін ауыстырғыштың 0 («сөндірулі») күйінде тұрғандығына көз
жеткізіңіз. Қуат беру баусымының істікшесін розеткіге қосыңыз.
Қуат режимдерін ауыстырғышты келесі күйлердің біріне
орнатыңыз:
І – қызудың төмен қуаты;
ІІ – қызудың жоғары қуаты.
Термостаттың реттеуішін үстіңгі панелге оң жаққа «max» («макс.») күйіне
Сіздің қажетті қызу температурасын таңдай алуыңыз үшін бұраңыз.
Егер қоршаған ортаның температурасы орнатылғаннан төмен болса,
құрал жұмыс істеуін бастайды, егер қоршаған ортаның температурасы
орнатылғаннан жоғары болса, құрал автоматты түрде сөнеді және күту