Обогреватели Galaxy LINE гл8226лбел - инструкция пользователя по применению, эксплуатации и установке на русском языке. Мы надеемся, она поможет вам решить возникшие у вас вопросы при эксплуатации техники.
Если остались вопросы, задайте их в комментариях после инструкции.
"Загружаем инструкцию", означает, что нужно подождать пока файл загрузится и можно будет его читать онлайн. Некоторые инструкции очень большие и время их появления зависит от вашей скорости интернета.

RUS
11
РУКОВОДСТВО ПО ЭКCПЛУАТАЦИИ
- Приложите опорные ножки к нижней части прибора с левой и правой
стороны таким образом, чтобы крепежные отверстия совпадали с отвер-
стиями в корпусе прибора.
- Закрутите крепежные винты в имеющиеся отверстия, прилагая при этом
достаточные усилия. Проверьте надежность крепления.
- Переверните прибор в правильное положение и установите его на ров-
ную, горизонтальную поверхность строго в вертикальном положении. При-
бор готов к работе.
ВНИМАНИЕ!
Использование прибора на полу или другой поверхности без
опорных ножек запрещено!
ВНИМАНИЕ!
Производитель оставляет за собой право для разных партий
поставок без предварительного уведомления изменять комплектующие ча-
сти изделия, не влияя при этом на основные технические характеристики
изделия или улучшая их.
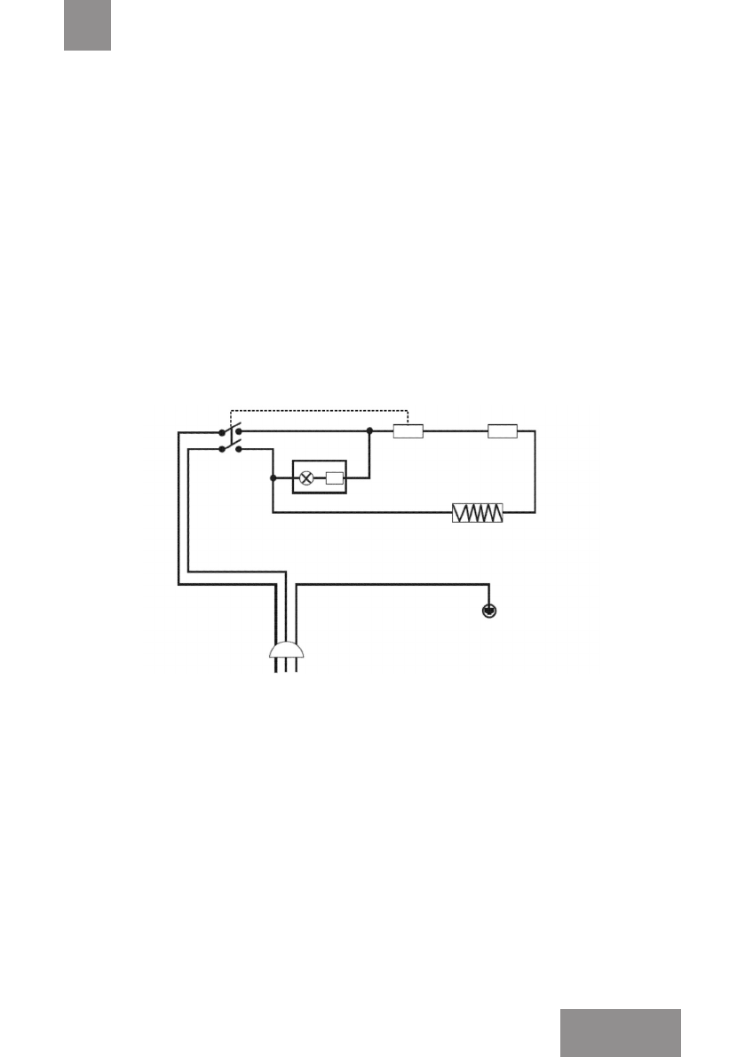
6.4 Схема электропроводки
Выключатель
Индикатор
Переключатель
режимов
Регулятор
термостата
Нагревательный
элемент
7 ПОРЯДОК РАБОТЫ
Установите прибор, следуя инструкциям по установке. Убедитесь, что пере-
ключатель режимов мощности находится в положении 0 («выключено»).
Вставьте вилку шнура питания в розетку.
Установите переключатель режимов мощности в одно из следующих по-
ложений:
I – низкая мощность нагрева;
II – высокая мощность нагрева.
Поверните регулятор термостата на верхней панели вправо в положение
«max» («макс.»), чтобы Вы могли выбрать необходимую температуру на-
грева. Если температура окружающего воздуха ниже установленной, при-
бор начинает работать, если температура окружающего воздуха становится