Обогреватели FRICO ADCS17E - инструкция пользователя по применению, эксплуатации и установке на русском языке. Мы надеемся, она поможет вам решить возникшие у вас вопросы при эксплуатации техники.
Если остались вопросы, задайте их в комментариях после инструкции.
"Загружаем инструкцию", означает, что нужно подождать пока файл загрузится и можно будет его читать онлайн. Некоторые инструкции очень большие и время их появления зависит от вашей скорости интернета.

Thermozone AD Corinte A/E - ADCS
15
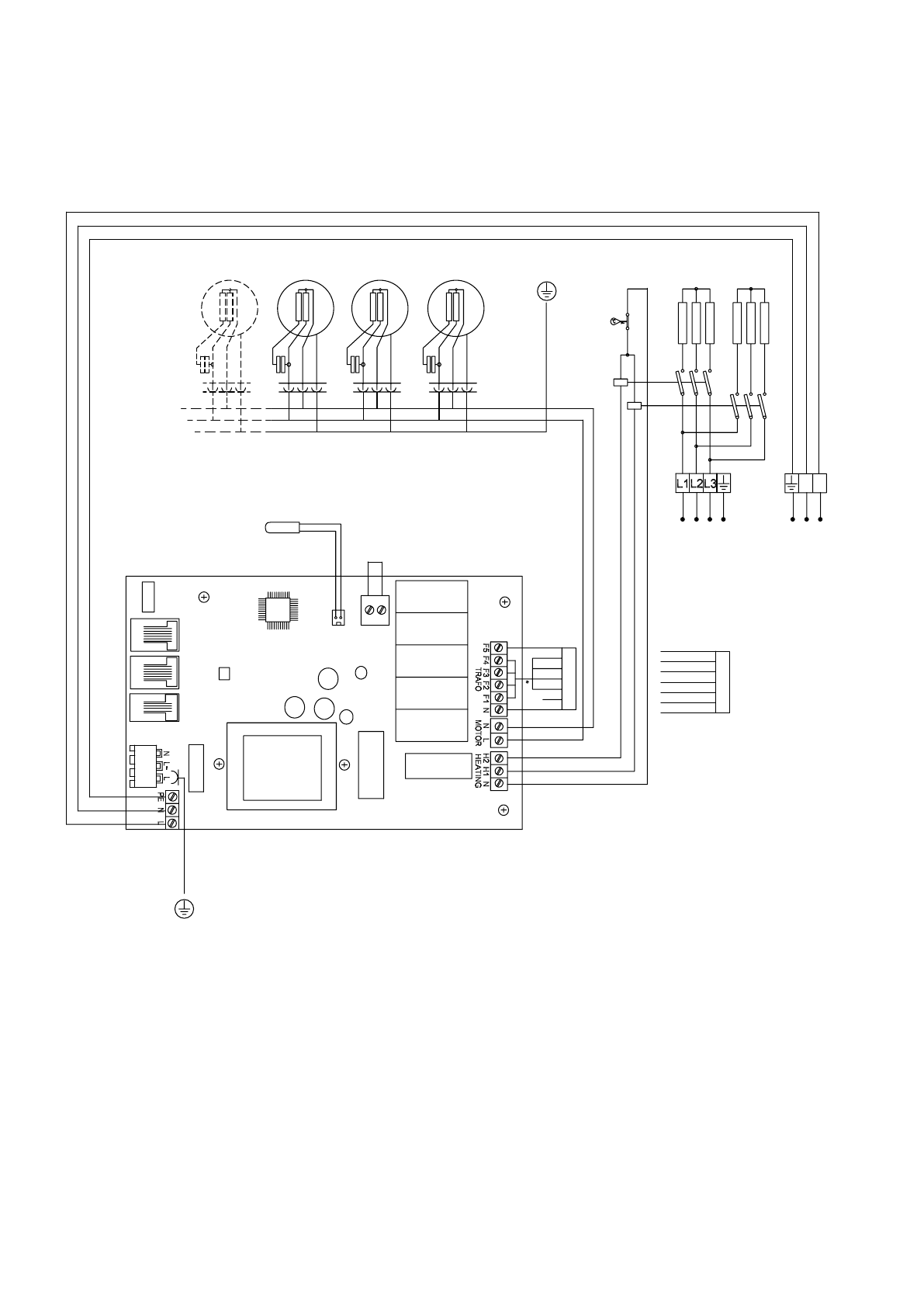
Wiring diagrams
Internal
ADCS E 400 V3~
ADCSE 400V3~
400V3~
SIReB1
230V~
Actuator
230V~
T
ransformer
230V
200V
170V
145V
120V
100V
N
Black
Black
Grey
Blue
Blue
Supply
230V~
C2
C1
ROOM
Internal
sensor
Motor
protection
T
ransformer
230V
200V
170V
145V
120V
100V
N
Yellow
Orange
Red
Brown
Black
Green
Blue
L
N