FRICO ADCS17E - Инструкция по эксплуатации - Страница 12

Обогреватели FRICO ADCS17E - инструкция пользователя по применению, эксплуатации и установке на русском языке. Мы надеемся, она поможет вам решить возникшие у вас вопросы при эксплуатации техники.

Если остались вопросы, задайте их в комментариях после инструкции.

"Загружаем инструкцию", означает, что нужно подождать пока файл загрузится и можно будет его читать онлайн. Некоторые инструкции очень большие и время их появления зависит от вашей скорости интернета.
Страница:
/ 37
Загружаем инструкцию
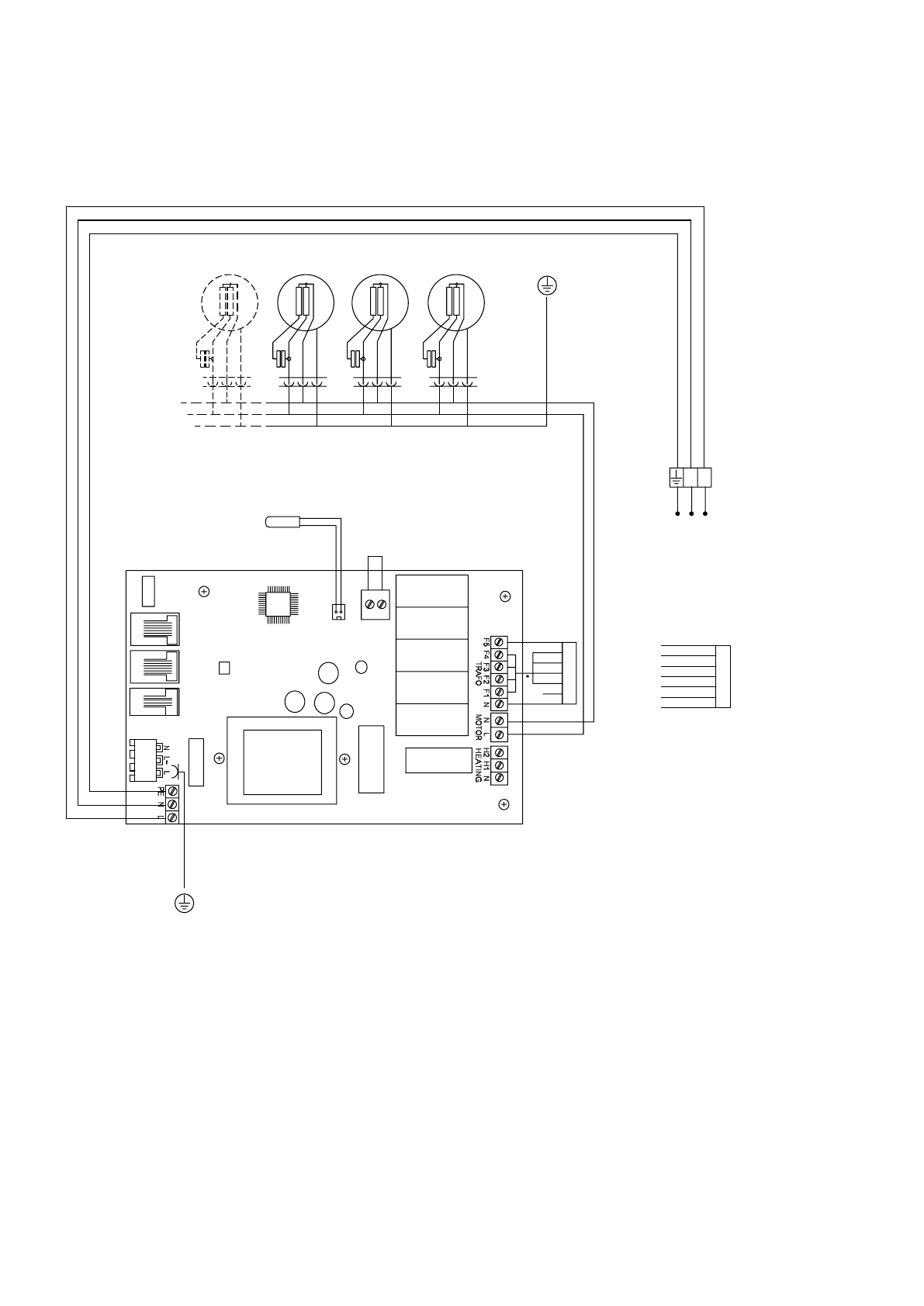
background image

Thermozone AD  Corinte A/E  - ADCS

11

Wiring diagrams 
Internal
ADCS A

ADCSA
                                                                                             

SIReB1

230V~

Actuator

230V~ 

T

ransformer

230V
200V
170V
145V
120V
100V

N

Black

Blue

Supply

230V~ 

C2

C1

ROOM

Internal 

sensor

Motor

protection

T

ransformer

230V
200V
170V
145V
120V
100V

N

Yellow
Orange
Red
Brown
Black
Green
Blue

L

N

Полезные видео

Характеристики

Оцените статью
tehnopanorama.ru
Остались вопросы?

Не нашли свой ответ в руководстве или возникли другие проблемы? Задайте свой вопрос в форме ниже с подробным описанием вашей ситуации, чтобы другие люди и специалисты смогли дать на него ответ. Если вы знаете как решить проблему другого человека, пожалуйста, подскажите ему :)

Задать вопрос

Часто задаваемые вопросы
Как посмотреть инструкцию к FRICO ADCS17E?
Необходимо подождать полной загрузки инструкции в сером окне на данной странице
Руководство на русском языке?
Все наши руководства представлены на русском языке или схематично, поэтому вы без труда сможете разобраться с вашей моделью
Как скопировать текст из PDF?
Чтобы скопировать текст со страницы инструкции воспользуйтесь вкладкой "HTML"