FRICO AD320W - Инструкция по эксплуатации - Страница 6

Обогреватели FRICO AD320W - инструкция пользователя по применению, эксплуатации и установке на русском языке. Мы надеемся, она поможет вам решить возникшие у вас вопросы при эксплуатации техники.

Если остались вопросы, задайте их в комментариях после инструкции.

"Загружаем инструкцию", означает, что нужно подождать пока файл загрузится и можно будет его читать онлайн. Некоторые инструкции очень большие и время их появления зависит от вашей скорости интернета.
Страница:
/ 66
Загружаем инструкцию
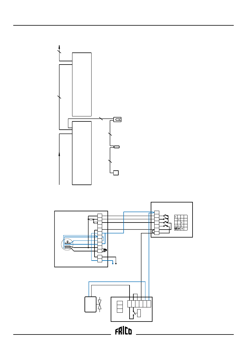
background image

Thermozone AD300 W, AD400 W 

5

Level 1 

AD 300 W / AD 400 W

230V~

2

4

56

N

Brown

Blue

Orange

L

1

White

White

3

0

Tk

Tk

M ~

AD30

0W/AD40

0W

0

CB30N

1

23

4

5

6

7

SD20

T

VV20/25

230V ~, Motor and contro

l

AD30

0W/AD40

0W

CB30N

5+PE

4+PE

2+PE

AD30

0W/AD40

0W

4+PE

2+PE

T1

0

SD20

A/B

2

4

4

>t°C

6

2

7

T1

0

Blac k

Полезные видео

Характеристики

Оцените статью
tehnopanorama.ru
Остались вопросы?

Не нашли свой ответ в руководстве или возникли другие проблемы? Задайте свой вопрос в форме ниже с подробным описанием вашей ситуации, чтобы другие люди и специалисты смогли дать на него ответ. Если вы знаете как решить проблему другого человека, пожалуйста, подскажите ему :)

Задать вопрос

Часто задаваемые вопросы
Как посмотреть инструкцию к FRICO AD320W?
Необходимо подождать полной загрузки инструкции в сером окне на данной странице
Руководство на русском языке?
Все наши руководства представлены на русском языке или схематично, поэтому вы без труда сможете разобраться с вашей моделью
Как скопировать текст из PDF?
Чтобы скопировать текст со страницы инструкции воспользуйтесь вкладкой "HTML"