FRICO AD315E14 - Инструкция по эксплуатации - Страница 8

Обогреватели FRICO AD315E14 - инструкция пользователя по применению, эксплуатации и установке на русском языке. Мы надеемся, она поможет вам решить возникшие у вас вопросы при эксплуатации техники.

Если остались вопросы, задайте их в комментариях после инструкции.

"Загружаем инструкцию", означает, что нужно подождать пока файл загрузится и можно будет его читать онлайн. Некоторые инструкции очень большие и время их появления зависит от вашей скорости интернета.
Страница:
/ 65
Загружаем инструкцию
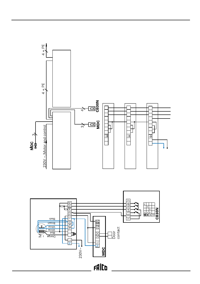
background image

Thermozone AD300A/E, AD400A/E 

7

Level 2 

AD 300/400 A

AD30

0/40

0A

AD30

0/40

0A

AD30

0/40

0A

230V~

2

4

5

6

1

N

L

AD30

0A

AD30

0A

AD30

0A

Tk

Tk

0

2

4

5

6

1

N

L

Tk

Tk

0

3

4

5

6

1

N

L

Tk

Tk

0

Полезные видео

Характеристики

Оцените статью
tehnopanorama.ru
Остались вопросы?

Не нашли свой ответ в руководстве или возникли другие проблемы? Задайте свой вопрос в форме ниже с подробным описанием вашей ситуации, чтобы другие люди и специалисты смогли дать на него ответ. Если вы знаете как решить проблему другого человека, пожалуйста, подскажите ему :)

Задать вопрос

Часто задаваемые вопросы
Как посмотреть инструкцию к FRICO AD315E14?
Необходимо подождать полной загрузки инструкции в сером окне на данной странице
Руководство на русском языке?
Все наши руководства представлены на русском языке или схематично, поэтому вы без труда сможете разобраться с вашей моделью
Как скопировать текст из PDF?
Чтобы скопировать текст со страницы инструкции воспользуйтесь вкладкой "HTML"