FRICO AD315E14 - Инструкция по эксплуатации - Страница 10

Обогреватели FRICO AD315E14 - инструкция пользователя по применению, эксплуатации и установке на русском языке. Мы надеемся, она поможет вам решить возникшие у вас вопросы при эксплуатации техники.

Если остались вопросы, задайте их в комментариях после инструкции.

"Загружаем инструкцию", означает, что нужно подождать пока файл загрузится и можно будет его читать онлайн. Некоторые инструкции очень большие и время их появления зависит от вашей скорости интернета.
Страница:
/ 65
Загружаем инструкцию
background image

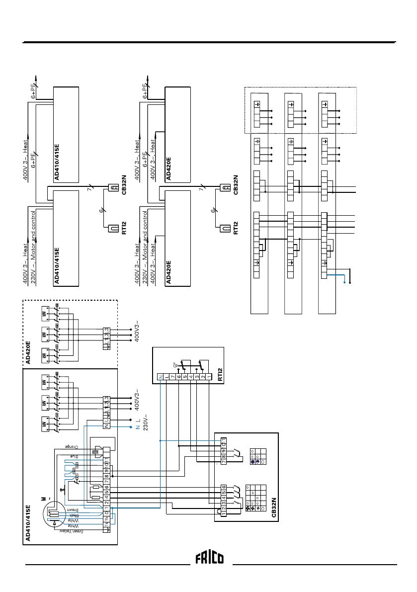
Thermozone AD300A/E, AD400A/E 

9

Level 1 

AD 400 E

7

8

9

400V3~

L

1

L

2

L

3

7

8

9

230V~

400V3~

L

1

L

2

L

3

2

4

5

6

1

7

8

9

400V3~

L

1

L

2

L

3

N

L

AD40

0E

10

10

10

AD40

0E

AD40

0E

Tk

Tk

0

2

4

5

6

1

N

L

Tk

Tk

0

2

4

5

6

1

N

L

Tk

Tk

0

400V3~

L

1

L

2

L

3

400V3~

L

1

L

2

L

3

400V3~

L

1

L

2

L

3

Only v

alid f

or 

AD420E

11

11

11 

Полезные видео

Характеристики

Оцените статью
tehnopanorama.ru
Остались вопросы?

Не нашли свой ответ в руководстве или возникли другие проблемы? Задайте свой вопрос в форме ниже с подробным описанием вашей ситуации, чтобы другие люди и специалисты смогли дать на него ответ. Если вы знаете как решить проблему другого человека, пожалуйста, подскажите ему :)

Задать вопрос

Часто задаваемые вопросы
Как посмотреть инструкцию к FRICO AD315E14?
Необходимо подождать полной загрузки инструкции в сером окне на данной странице
Руководство на русском языке?
Все наши руководства представлены на русском языке или схематично, поэтому вы без труда сможете разобраться с вашей моделью
Как скопировать текст из PDF?
Чтобы скопировать текст со страницы инструкции воспользуйтесь вкладкой "HTML"