Обогреватели FRICO AD310E09 - инструкция пользователя по применению, эксплуатации и установке на русском языке. Мы надеемся, она поможет вам решить возникшие у вас вопросы при эксплуатации техники.
Если остались вопросы, задайте их в комментариях после инструкции.
"Загружаем инструкцию", означает, что нужно подождать пока файл загрузится и можно будет его читать онлайн. Некоторые инструкции очень большие и время их появления зависит от вашей скорости интернета.

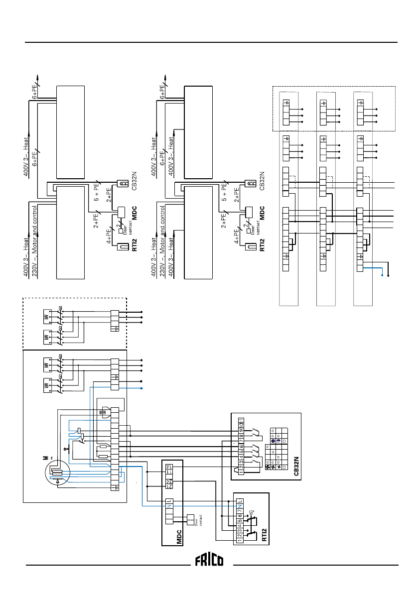
Thermozone AD300A/E, 400A/E
10
Level 2
AD 300 E
40
0V3~
AD31
0/315E
Green Yello
w
N
L
Tk
Tk
0
Orange
Blue
White
White
Brown
2
1
4
5
6
7
M
~
11
8
9
1
0
L1
L2
L3
k2
k1
kW
kW
C
C
230V~
k1
k2
40
0V3~
L1
L2
L3
k2
k1
kW
kW
AD320E
Blac k
DC
DC
AD31
0/315E
AD320E
AD31
0/315E
AD320E
7
8
9
400V3~
L
1
L
2
L
3
7
8
9
230V~
400V3~
L
1
L
2
L
3
2
4
5
6
1
7
8
9
400V3~
L
1
L
2
L
3
N
L
AD30
0E
10
10
10
AD30
0E
AD30
0E
Tk
Tk
0
2
4
5
6
1
N
L
Tk
Tk
0
2
4
5
6
1
N
L
Tk
Tk
0
400V3~
L
1
L
2
L
3
400V3~
L
1
L
2
L
3
400V3~
L
1
L
2
L
3
Only v
alid f
or
AD320E
11
11
11













