Обогреватели FRICO ACC30E - инструкция пользователя по применению, эксплуатации и установке на русском языке. Мы надеемся, она поможет вам решить возникшие у вас вопросы при эксплуатации техники.
Если остались вопросы, задайте их в комментариях после инструкции.
"Загружаем инструкцию", означает, что нужно подождать пока файл загрузится и можно будет его читать онлайн. Некоторые инструкции очень большие и время их появления зависит от вашей скорости интернета.

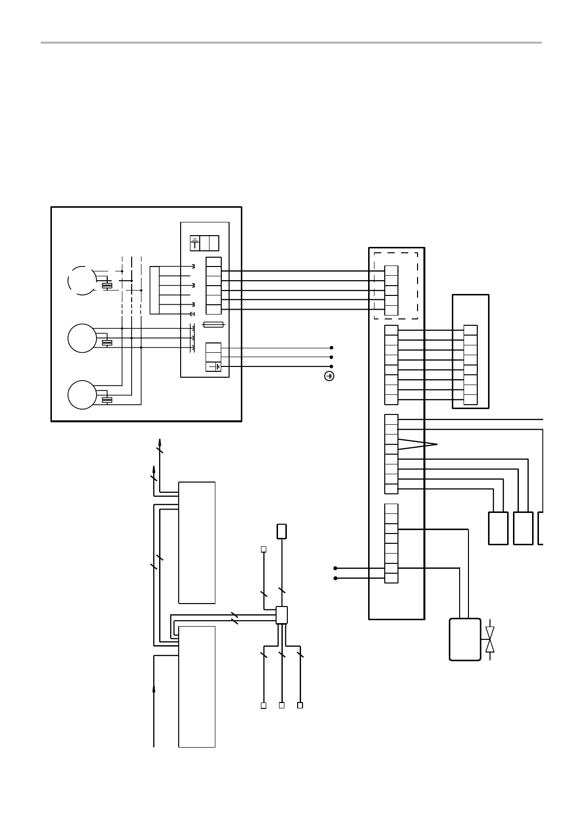
Wiring diagrams AC Corinte
Water regulations options
Level 3
SD20
TVV20/25
ADEAEB
ADEAR
ADEA
GD1
1
2
LN
4
5
89
20
21
31
41
50
11
51
81
80
83
82
84
86
85
87
G2
G1
G4
G3
G5
30
40
6
6
4
5
8
7
9
11
10
230V~
ADEA
OS
4
MDCDC
ADEAIS
230V~ Motor and control
AC
Corinte
W
ADEAEB +
ADEA
GD1
5x0,5mm²
5x0,5mm²
5x0,5mm²
2+PE
AC
Corinte
W
2+PE
ADEAR
ADEAIS
SD20
ADEA
OS
MDCDC
8x0,5mm²
2+PE
2x0,5mm²
2x0,5mm²
2x0,5mm²
2+PE
140V
120V
1 70V
200V
230V
Traf
o
LN
1
2345
B2
Fuse
6
7N
Thermoz
one
AC
Corinte
W
M
1~
M
1~
M
1~
230V~
LN
PE
Supply
fa
n
5
1234
B3
12
AC Corinte