Обогреватели FRICO ACC30E - инструкция пользователя по применению, эксплуатации и установке на русском языке. Мы надеемся, она поможет вам решить возникшие у вас вопросы при эксплуатации техники.
Если остались вопросы, задайте их в комментариях после инструкции.
"Загружаем инструкцию", означает, что нужно подождать пока файл загрузится и можно будет его читать онлайн. Некоторые инструкции очень большие и время их появления зависит от вашей скорости интернета.

0
230V~
23
45
67
1
23
45
67
NL
1
SD20
TVV20/25
CB30N
Hi
Lo
R
TI2
MDC
L
N
DC
DC
12
11
14
22
21
24
Door cont
act
230V~ Motor and contro
l
AC
Corinte
W
CB30N
4x0,5mm²
4x0,5mm²
4x0,5mm²
2+PE
AC
Corinte
W
2+PE
MDC
Door cont
act
3x0,5mm²
2x0,5mm²
2+PE
2+PE
2x0,5mm²
2+PE
R
TI2
SD20
140V
120V
1 70V
200V
230V
Traf
o
L
N1
2345
6
7N
Thermoz
one
AC
Corinte
W
M
1~
M
1~
M
1~
B2
B3
Fuse
C°
230V~
LN
PE
Supply
fa
n
123
4
Control
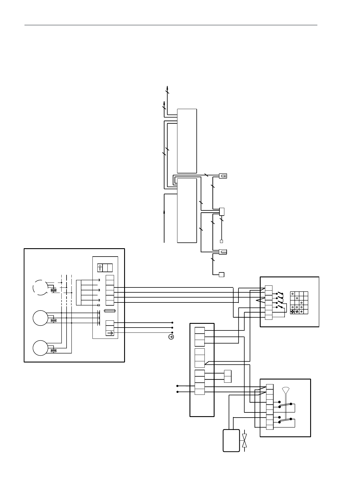
Wiring diagrams AC Corinte
Water regulations options
Level 2
11
AC Corinte