Обогреватели FIRMAN F5000DH - инструкция пользователя по применению, эксплуатации и установке на русском языке. Мы надеемся, она поможет вам решить возникшие у вас вопросы при эксплуатации техники.
Если остались вопросы, задайте их в комментариях после инструкции.
"Загружаем инструкцию", означает, что нужно подождать пока файл загрузится и можно будет его читать онлайн. Некоторые инструкции очень большие и время их появления зависит от вашей скорости интернета.

14.
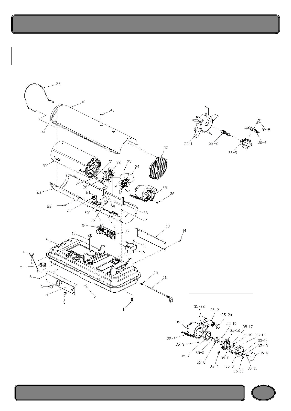
СБОРОЧНЫЙ ЧЕРТЕЖ
(
F2000-DH, F3000-DH, F5000-DH
)
ПРИМЕЧАНИЕ
:
При заказе деталей указывайте номер модели и номер детали по списку
ГОЛОВКА ГОРЕЛКИ
ДВИГАТЕЛЬ И НАСОС
НИКОГДА НЕ ОСТАВЛЯЙТЕ РАБОТАЮЩИЙ ОБОГРЕВАТЕЛЬ БЕЗ ПРИСМОТРА!
16
Содержание
- 2 ОГЛАВЛЕНИЕ; НИКОГДА НЕ ОСТАВЛЯЙТЕ РАБОТАЮЩИЙ ОБОГРЕВАТЕЛЬ БЕЗ ПРИСМОТРА!
- 3 ТЕХНИКА БЕЗОПАСНОСТИ
- 4 ВНЕШНИЙ ВИД НАГРЕВАТЕЛЯ
- 5 РАСПАКОВКА И СБОРКА
- 6 ОПАСНО; Сборка ручек и колес
- 7 ТОПЛИВО; ТОПЛИВНАЯ СИСТЕМА; ТЕХНИЧЕСКИЕ ОСОБЕННОСТИ НАГРЕВАТЕЛЯ; НАДЕЖНАЯ СИСТЕМА ЗАЖИГАНИЯ
- 8 СИСТЕМА БЕЗОПАСНОСТИ; ЗАПРАВКА ТОПЛИВОМ; Не переполняйте топливный бак сверх установленного уровня; ВАЖНО ПРИ ПЕРВОМ ИСПОЛЬЗОВАНИИ
- 9 ЭКСПЛУАТАЦИЯ НАГРЕВАТЕЛЯ; ЭКСПЛУАТАЦИЯ
- 10 ДОЛГОВРЕМЕННОЕ ХРАНЕНИЕ НАГРЕВАТЕЛЯ
- 11 ТЕХНИЧЕСКОЕ ОБСЛУЖИВАНИЕ НАГРЕВАТЕЛЯ; ВНИМАНИЕ
- 12 Свеча зажигания; ФОРСУНКА
- 14 модель; кПа
- 15 ЗАМЕНА ПЛАВКОГО ПРЕДОХРАНИТЕЛЯ
- 16 ПОРЯДОК УСТРАНЕНИЯ НЕИСПРАВНОСТЕЙ; Неисправность
- 18 СБОРОЧНЫЙ ЧЕРТЕЖ; ПРИМЕЧАНИЕ; ГОЛОВКА ГОРЕЛКИ
- 20 СПЕЦИФИКАЦИЯ ДЕТАЛЕЙ
- 24 Колеса и ручки; название
- 25 Гарантийные условия; Гарантия недействительна в следующих случаях