Обогреватели Elenberg H-160715 - инструкция пользователя по применению, эксплуатации и установке на русском языке. Мы надеемся, она поможет вам решить возникшие у вас вопросы при эксплуатации техники.
Если остались вопросы, задайте их в комментариях после инструкции.
"Загружаем инструкцию", означает, что нужно подождать пока файл загрузится и можно будет его читать онлайн. Некоторые инструкции очень большие и время их появления зависит от вашей скорости интернета.

9
1. There are two indicator switch for power setting , you can turn on and
off them on your requirement.
2. Please make sure that the rated voltage is suitable and the rated electric
current is not lower than 10A.
3. When using, turn the temperature switch deasil to the max position and
the room temperature will rise higher and higher
4. During using, if you feel the room temperature is too high and you want
lower temperature Just adjust it to “middle” or “low” position.
5. During using, the radiator will keep the required temperature, when the
room temperature gets to the require temperature, the radiator will stop
automatically.
6. When the room temperature is lower than the required temperature, the
radiator will start working automatically.
7. Turn off the two power switches at the same time, the indicator light will
be off.
8. Your heater is designed to automatically shut-off when tipped sideward
(left or right side). When returned to normal upright position, heat will
automatically come on again. This is a safety feature to avoid possibility
of fire should the unit be accidentally upset.
USAGE
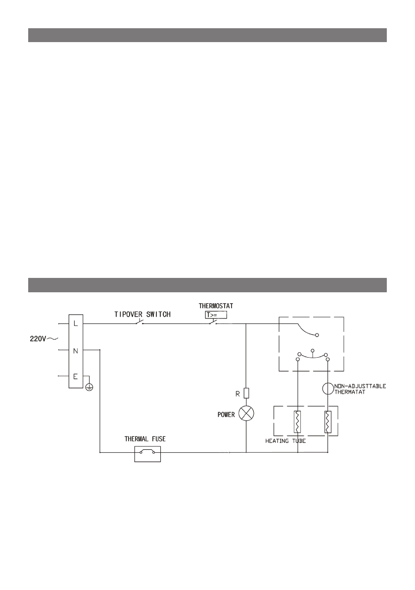
ELECTRIC DRAWING