Обогреватели Elenberg H-160715 - инструкция пользователя по применению, эксплуатации и установке на русском языке. Мы надеемся, она поможет вам решить возникшие у вас вопросы при эксплуатации техники.
Если остались вопросы, задайте их в комментариях после инструкции.
"Загружаем инструкцию", означает, что нужно подождать пока файл загрузится и можно будет его читать онлайн. Некоторые инструкции очень большие и время их появления зависит от вашей скорости интернета.

1. Имеется два индикатора-переключателя, их можно включать и вы
-
ключать по мере надобности.
2. Пожалуйста, убедитесь в том, что напряжение электросети соответс
-
твует предписанному, а сила тока составляет не менее 10 А.
3. Включив радиатор, установите регулятор температуры в максималь
-
ное положение, и в помещении будет становиться все теплее и теп
-
лее.
4. Если Вам покажется, что температура в помещении слишком высока
и ее следует понизить, просто поверните регулятор в среднее или
минимальное положение.
5. Радиатор поддерживает заданный уровень температуры в помеще
-
нии. Когда температура достигает нужного значения, радиатор ав
-
томатически прекращает работу.
6. Если температура в помещении опускается ниже заданной, радиатор
автоматически перезапускается.
7. Выключите оба выключателя одновременно. Оба индикатора погас
-
нут.
8, Если радиатор упадет, он автоматически выключится. После установ
-
ки его в вертикальное положение, радиатор автоматически включит
-
ся. Это сделано для того, чтобы избежать возгорания при падении
прибора.
ЭКСПЛУАТАЦИЯ
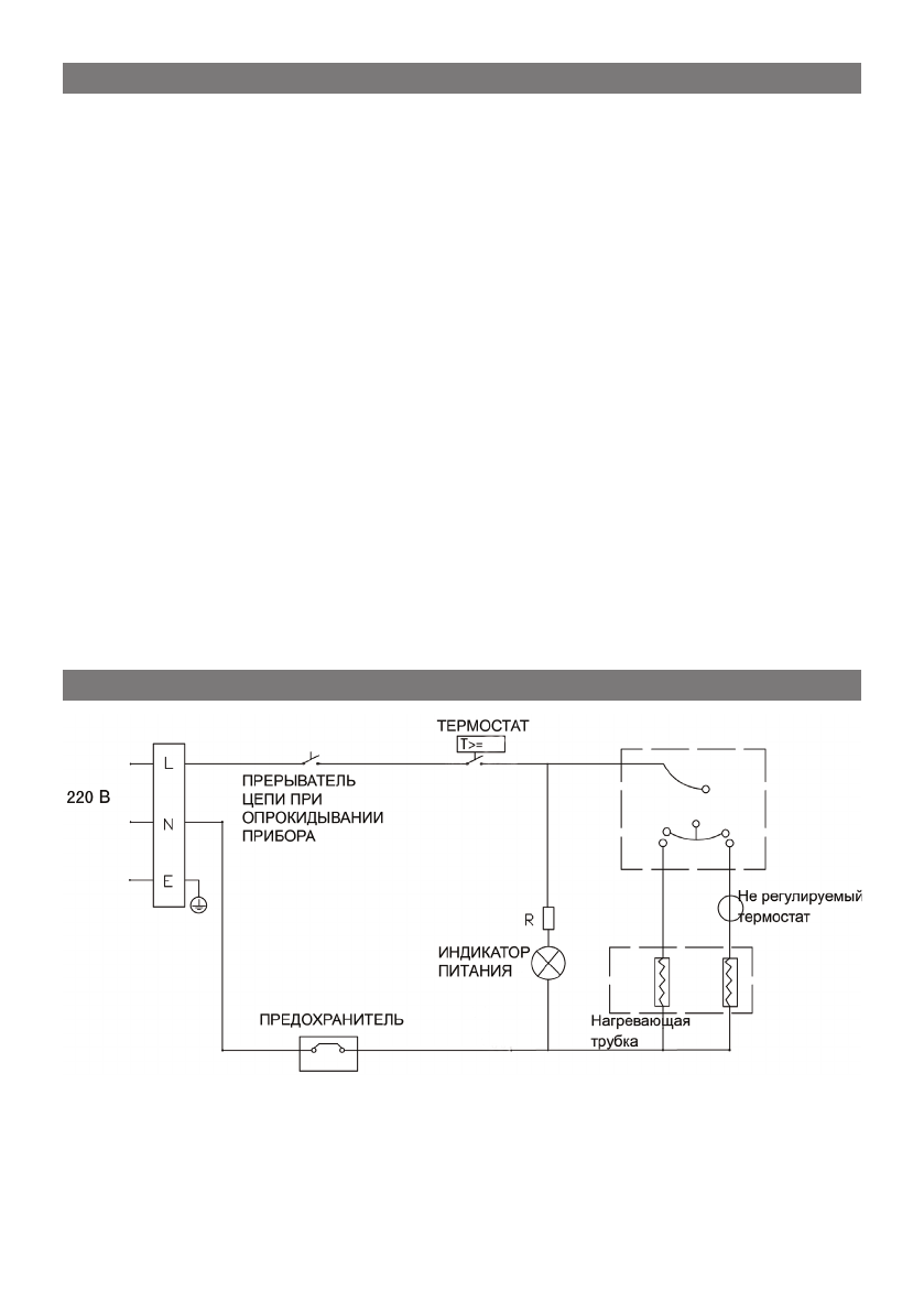
ЭЛЕКТРИЧЕСКАЯ СХЕМА