Обогреватели Ballu BHC-U20W55-PS НС-1183729 - инструкция пользователя по применению, эксплуатации и установке на русском языке. Мы надеемся, она поможет вам решить возникшие у вас вопросы при эксплуатации техники.
Если остались вопросы, задайте их в комментариях после инструкции.
"Загружаем инструкцию", означает, что нужно подождать пока файл загрузится и можно будет его читать онлайн. Некоторые инструкции очень большие и время их появления зависит от вашей скорости интернета.

10
11
Подключение теплоносителя
Подключение теплоносителя
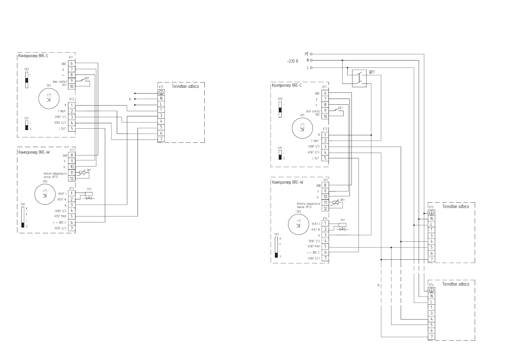
Схема электрическая принципиальная BHC-U15A-PS, BHC-U20A-PS, BHC-U15W40-PS,
BHC-U20W55-PS с подключением контроллера (пульта) BRC-W + BRC-C
SK1, SK2 – терморег уляторы;
ХT1-ХТ5 – колодка к леммная;
SA1 – перек лючатель вк лючения режима защиты от проникно-
вения уличного возду ха;
SA2 – рег улятор задержки вык лючения элек тродвигателей;
SA3 – перек лючатель режимов вентиляции;
RK1 – термодатчик;
SQ1 – концевой вык лючатель;
YA1 – элек тромагнитный привод дву х-/трех ходового вентиля.
Схема электрическая принципиальная при групповом соединении BHC-U15A-PS,
BHC-U15W40-PS с подключением контроллера (пульта) BRC-W
SK1, SK2 – терморег уляторы;
ХT1-ХTn – колодка к леммная;
SA1 – перек лючатель вк лючения режима защиты от
проникновения уличного возду ха;
SA2 – рег улятор задержки вык лючения элек тродвигателей;
SA3 – перек лючатель режимов вентиляции;
RK1 – термодатчик;
SQ1 – концевой вык лючатель:
YA1 – элек тромагнитный прибор дву х-/трех ходового вентиля;
QF1 – автоматический вык лючатель.
Содержание
- 2 ПРИМЕЧАНИЕ; Содержание; Свидетельство о приемке
- 3 Монтаж завесы; Варианты монтажа; Технические характеристики
- 4 Горизонтальный монтаж на транспортировочные кронштейны; Вертикальная установка; Модель завесы
- 5 Подключение к электрической сети; Подключение теплоносителя; Далее приведены электрические схемы завес:
- 7 Управление прибором; Управ ление завесами пультом BRC-W
- 8 Поиск и устранение неисправностей; Примечание; Уход и обслуживание
- 9 Сделано в России
- 11 ГАРАНТИЙНЫЙ ТАЛОН; ТИП
- 12 Настоящая гарантия не распространяется на:; Особые ус ловия эксплуатации кондиционеров
- 13 Памятка по у ходу за кондиционером:; сохраняется у клиента; на гарантийное обслуживание; на гарантийное обслуживание