Обогреватели Ballu BHC-U20W55-PS НС-1183729 - инструкция пользователя по применению, эксплуатации и установке на русском языке. Мы надеемся, она поможет вам решить возникшие у вас вопросы при эксплуатации техники.
Если остались вопросы, задайте их в комментариях после инструкции.
"Загружаем инструкцию", означает, что нужно подождать пока файл загрузится и можно будет его читать онлайн. Некоторые инструкции очень большие и время их появления зависит от вашей скорости интернета.

8
9
Подключение теплоносителя
Подключение теплоносителя к тепловой завесе
производится через патрубки DIN 3/4”.
• Подведение теплоносителя осуществляется
только через запорный вентиль.
• Для расширения функциональных возможно-
стей прибора к завесе может быть подключен
смесительный узел или трехходовой клапан.
• При подключении завесы к тепловой сети без ис-
пользования смесительного узла рекомендуется
установка водяного фильтра.
Подключение к электрической сети
Подключение к электросети осуществляется че-
рез автоматический выключатель в соответствии
с «Правилами устройства Электроустановок».
Автоматический выключатель сети потребителя
Подключение теплоносителя
Подключение теплоносителя
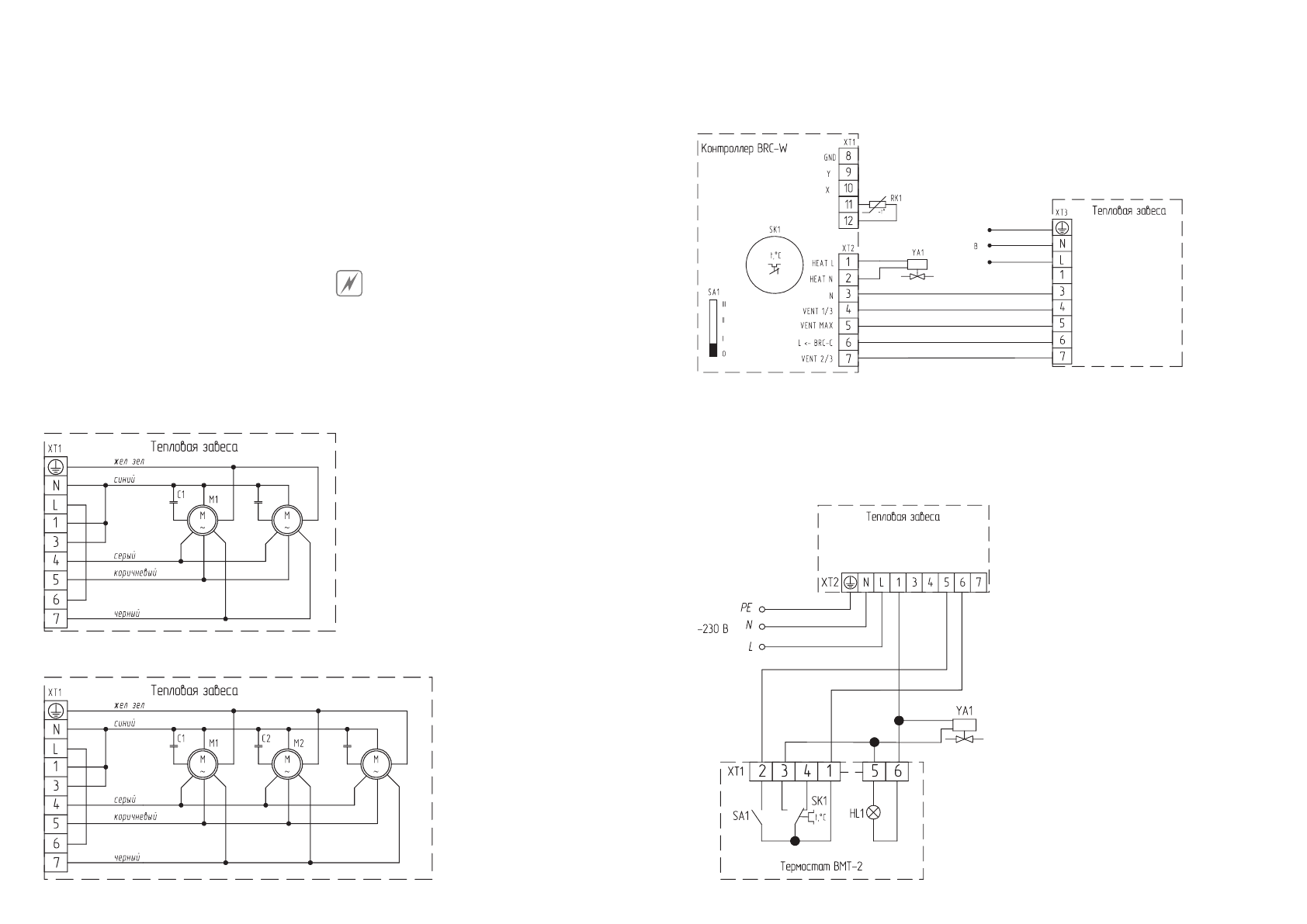
Схема электрическая принципиальная BHC-U20A-PS и BHC-U20W55-PS
Схема электрическая принципиальная BHC-U15A-PS, BHC-U20A-PS, BHC-U15W40-PS,
BHC-U20W55-PS с подключением контроллера (пульта) BRC-W
SK1 – терморег улятор;
ХT1-ХТЗ – колодка к леммная;
SA1 – перек лючатель режимов вентиляции;
RK1 – термодатчик;
YA1 – элек тромагнитный привод дву х-/трех хобового вентиля.
Схема электрическая принципиальная BHC-U15A-PS, BHC-U20A-PS, BHC-U15W40-PS,
BHC-U20W55-PS с подключением термостата BMT-2 (без возможности регулировки
производительности)
должен обеспечивать полное снятие питающего
напряжения с завесы.
При монтаже стационарной проводки использо-
вать трехжильный кабель с минимальным сече-
нием 1 мм2 по медному проводнику.
Подключение питания к завесе осуществляется че-
рез распределительную коробку, с классом защиты
IP54, расположенную на задней стенке завесы.
Электрическая сеть, к которой будет подключена
завеса, должна обеспечивать защиту изделия от
перегрузок и токов короткого замыкания.
ОСТОРОЖНО!
Обязательно должно быть обеспечено заземление
завесы. Запрещается подсоединение шины зазем-
ления к водопроводной трубе, линии газоснабже-
ния, молниеотводу, телефонной или антенной сети.
Схема электрическая принципиальная BHC-U15A-PS и BHC-U15W40-PS
Далее приведены электрические схемы завес:
SK1 – терморег улятор;
HL1 – индикатор;
ХТ1, ХТ2 – колодка к леммная;
YA1 – привод элек тромагнитного вентиля;
SA1 – вык лючатель.
Содержание
- 2 ПРИМЕЧАНИЕ; Содержание; Свидетельство о приемке
- 3 Монтаж завесы; Варианты монтажа; Технические характеристики
- 4 Горизонтальный монтаж на транспортировочные кронштейны; Вертикальная установка; Модель завесы
- 5 Подключение к электрической сети; Подключение теплоносителя; Далее приведены электрические схемы завес:
- 7 Управление прибором; Управ ление завесами пультом BRC-W
- 8 Поиск и устранение неисправностей; Примечание; Уход и обслуживание
- 9 Сделано в России
- 11 ГАРАНТИЙНЫЙ ТАЛОН; ТИП
- 12 Настоящая гарантия не распространяется на:; Особые ус ловия эксплуатации кондиционеров
- 13 Памятка по у ходу за кондиционером:; сохраняется у клиента; на гарантийное обслуживание; на гарантийное обслуживание