Обогреватели Ballu BHC-U15A-PS НС-1183726 - инструкция пользователя по применению, эксплуатации и установке на русском языке. Мы надеемся, она поможет вам решить возникшие у вас вопросы при эксплуатации техники.
Если остались вопросы, задайте их в комментариях после инструкции.
"Загружаем инструкцию", означает, что нужно подождать пока файл загрузится и можно будет его читать онлайн. Некоторые инструкции очень большие и время их появления зависит от вашей скорости интернета.

11
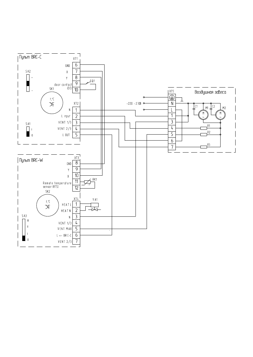
М1, М2 - электродвигатель;
C1, С2 - конденсатор;
R1-R3 - нагрузка;
SK1-SK2 - терморегуляторы;
ХТ1-XT5 - колодка клеммная;
SA1 - переключатель включения режима защиты от проникновения уличного воздуха;
SA2 - регулятор задержки выключения электродвигателей;
SA3 - переключатель режимов вентиляции;
RK1 – термодатчик;
SQ1 - концевой выключатель:
YA1 - электромагнитный привод двух-/трехходового вентиля.
Схема электрическая принципиальная подключения воздушной завесы с пультами BRC-W +
BRC-C, на примере воздушной завесы BHC-H20A-PS:
Монтаж завесы
Подключение воздушных завес BHC-H10A-PS и
BHC-H15A-PS с пультами BRC-W + BRC-C, произ-
водится аналогично.