Обогреватели Ballu BHC-U15A-PS НС-1183726 - инструкция пользователя по применению, эксплуатации и установке на русском языке. Мы надеемся, она поможет вам решить возникшие у вас вопросы при эксплуатации техники.
Если остались вопросы, задайте их в комментариях после инструкции.
"Загружаем инструкцию", означает, что нужно подождать пока файл загрузится и можно будет его читать онлайн. Некоторые инструкции очень большие и время их появления зависит от вашей скорости интернета.

10
PDF created with pdfFactory Pro trial version
www.pdffactory.com
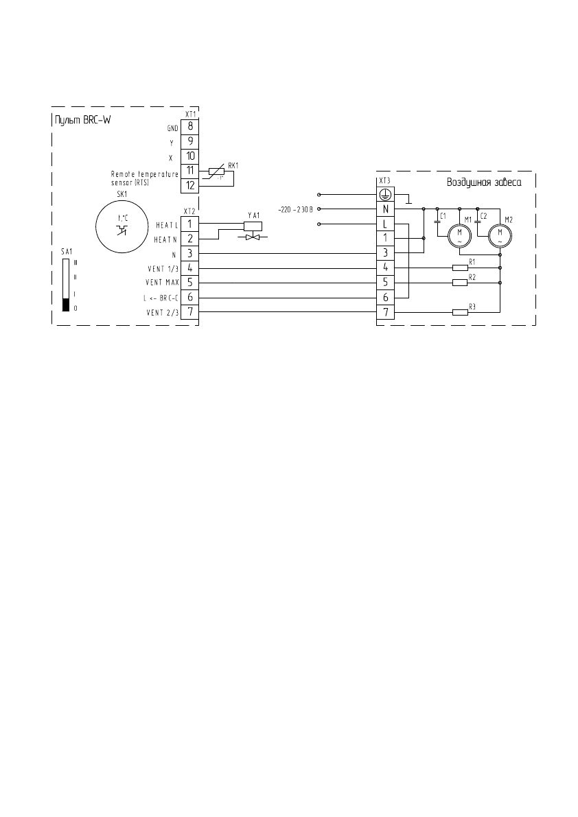
Схема электрическая принципиальная воздушной завесы BHC-H20A-PS с пультом BRC-W:
М1, М2 - электродвигатель; C1, С2 - конденсатор; R1-R3 - нагрузка; SK1 - терморегулятор;
ХТ1-XT3 - колодка клеммная; SA1 - переключатель режимов вентиляции; RK1 - термодатчик;
YA1 - электромагнитный привод двух-/трехходового вентиля.
Монтаж завесы