Обогреватели Ballu BHC-H20A-PS - инструкция пользователя по применению, эксплуатации и установке на русском языке. Мы надеемся, она поможет вам решить возникшие у вас вопросы при эксплуатации техники.
Если остались вопросы, задайте их в комментариях после инструкции.
"Загружаем инструкцию", означает, что нужно подождать пока файл загрузится и можно будет его читать онлайн. Некоторые инструкции очень большие и время их появления зависит от вашей скорости интернета.

9
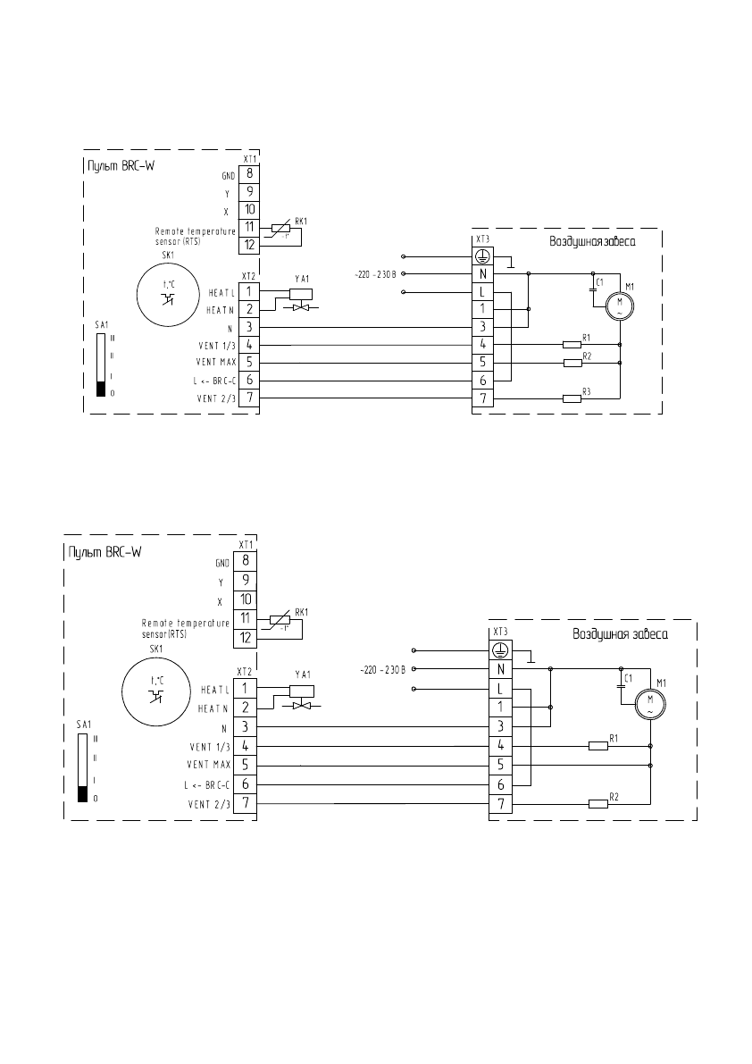
Схема электрическая принципиальная воздушной завесы BHC-H10A-PS с пультом BRC-W:
М1 - электродвигатель; C1 - конденсатор; R1-R3 - нагрузка; SK1 - терморегулятор, XT1-XT3 - колодка клеммная,
SA1 - переключатель режимов вентиляции; RK1 - термодатчик; YA1 - электромагнитный привод двух-/трехходо-
вого вентиля.
Схема электрическая принципиальная воздушной завесы BHC-H15A-PS с пультом BRC-W:
М1 - электродвигатель; C1 - конденсатор; R1, R2 - нагрузка; SK1 - терморегулятор;
ХТ1-XT3 - колодка клеммная; SA1 - переключатель режимов вентиляции; RK1 - термодатчик;
YA1 - электромагнитный привод двух-/трехходового вентиля.
Монтаж завесы