Обогреватели Ballu BHC-H20A-PS - инструкция пользователя по применению, эксплуатации и установке на русском языке. Мы надеемся, она поможет вам решить возникшие у вас вопросы при эксплуатации техники.
Если остались вопросы, задайте их в комментариях после инструкции.
"Загружаем инструкцию", означает, что нужно подождать пока файл загрузится и можно будет его читать онлайн. Некоторые инструкции очень большие и время их появления зависит от вашей скорости интернета.

13
Монтаж завесы
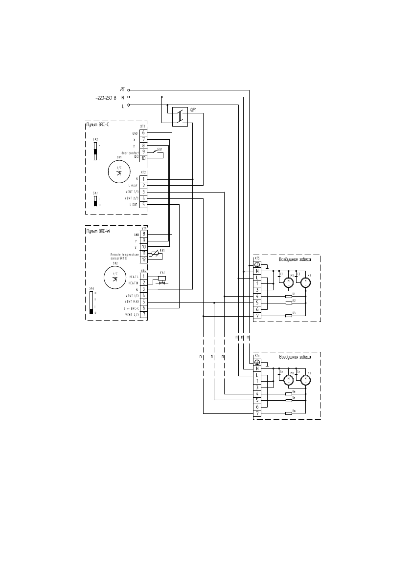
Схема электрическая принципиальная группового подключения воздушных завес с пультами
BRC-W + BRC-C, на примере воздушной завесы BHC-H20A-PS:
М1-Mn - электродвигатель;
C1-Cn - конденсатор;
R1-Rn - нагрузка;
SK1, SK2 - терморегуляторы;
ХТ1-XTn - колодка клеммная;
SA1 - переключатель включения режима защиты от проникновения уличного воздуха;
SA2 - регулятор задержки выключения электродвигателей;
SA3 - переключатель режимов вентиляции;
RK1 - термодатчик;
SQ1 - концевой выключатель:
YA1 - электромагнитный привод двух-/трехходового вентиля;
QF1 - автоматический выключатель.
Групповое подключение воздушных завес BHC-
H10A-PS и BHC-H15A-PS с пультами BRC-W +
BRC-C, производится аналогично.