Обогреватели Ballu BHC-H15T18-PS - инструкция пользователя по применению, эксплуатации и установке на русском языке. Мы надеемся, она поможет вам решить возникшие у вас вопросы при эксплуатации техники.
Если остались вопросы, задайте их в комментариях после инструкции.
"Загружаем инструкцию", означает, что нужно подождать пока файл загрузится и можно будет его читать онлайн. Некоторые инструкции очень большие и время их появления зависит от вашей скорости интернета.

19
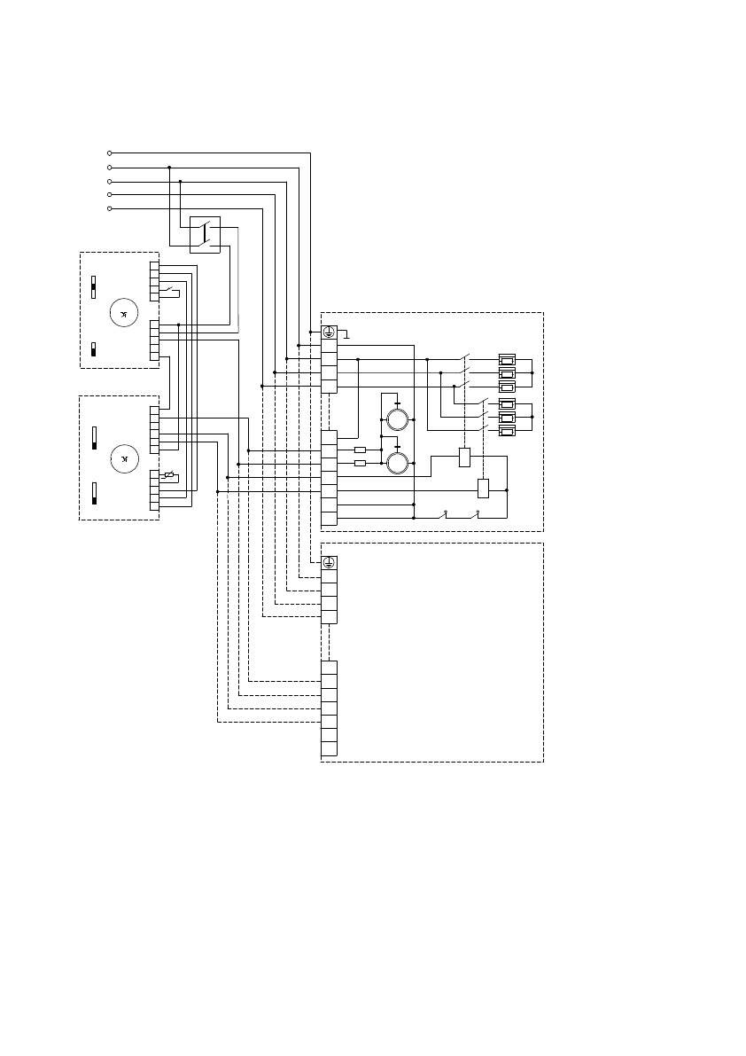
Схема электрическая принципиальная при групповом соединении завес ВНС -Н20 Т24-PS,
ВНС -Н20 Т36-PS с подключением пультов BRC-E и BRC-C.
EK1-EK6 - нагревательный элемент;
КМ1, КМ2 - электромагнитный пускатель;
М1, М2 - электродвигатель;
C1, С2 - конденсатор;
R1, R2 - нагрузка;
SK1, SK2 - защитный термостат без автовозврата;
SK3, SK4 - терморегулятор;
ХТ1-XTn - колодка клеммная;
SA1 - переключатель включения режима защиты
от проникновения уличного воздуха;
SA2 - регулятор задержки выключения вентиля-
ции;
SA3 - переключатель режимов вентиляции;
SA4 - переключатель режимов нагрева;
RK1 - термодатчик;
QF1 - автоматический выключатель;
SQ1 - дверной контакт.
Подготовка к работе
QF1
EK1
EK2
EK3
EK4
EK5
EK6
KM2
KM1
1
2
3
4
5
6
7
R1
M2
M
~
C2
SK1
M1
M
~
C1
L1
L2
L3
N
XT5
XT
SK2
R2
~
380-400B
L1
L2
L3
N
PE
1
2
3
4
5
6
Remote temperature
sensor (RTS)
ХТ4
L <- BRC-C
VENT MAX
VENT 1/2
HEAT 2
HEAT 1
N
SA3
I
II
0
SK4
SA4
I
II
0
GND
Y
X
RK1
1
2
3
4
5
6
N
L input
VENT 1/3
L OUT
VENT 2/3
XT1
XT2
XT3
SK3
SA1
I
0
SA2
+
-
GND
X
Y
door contact
(DC)
SQ1
7
8
9
10
11
7
8
9
10
1
2
3
4
5
6
7
L1
L2
L3
N
n
n n
n n
n
n
n
n
n
B
Пульт
RC-C
B
Пульт
RC-E
Тепловая завеса
Тепловая завеса
t,
о
С
t,
о
С
t,
о
С
Тепловые завесы ВНС-H10Т12-PS, ВНС-H15Т18-PS подключаются аналогично.