Обогреватели Ballu BHC-B15T09-PS НС-1136124 - инструкция пользователя по применению, эксплуатации и установке на русском языке. Мы надеемся, она поможет вам решить возникшие у вас вопросы при эксплуатации техники.
Если остались вопросы, задайте их в комментариях после инструкции.
"Загружаем инструкцию", означает, что нужно подождать пока файл загрузится и можно будет его читать онлайн. Некоторые инструкции очень большие и время их появления зависит от вашей скорости интернета.

10
11
Подготовка к работе
Управление прибором
От установки завес и условий эксплуатации,
продувочный режим вентилятора может не
включаться или включаться не сразу после
выключения завесы, а через несколько минут.
Управление прибором
Управление завесой осуществляется с помо-
щью выносного проводного пульта. Пульт
управления, при помощи встроенного в него
термостата, позволяет поддерживать необхо-
димую температуру воздуха вблизи проема и
регулировать тепловую мощность завесы.
Управление завесами BHC-B10T06-PS,
BHC-B15T09-PS
•
Перед включением завесы переключатели
пульта управления должны находиться в
положении 0.
•
Вентиляция (режим «0»)
Включение.
Для включения завесы в режим
вентиляции (без нагрева) необходимо пере-
вести переключатель 1 в положение l при этом
начинают работать вентиляторы завесы.
Выключение.
Для отключения перевести
переключатель 1 в положение 0 и отключить
завесу от электросети.
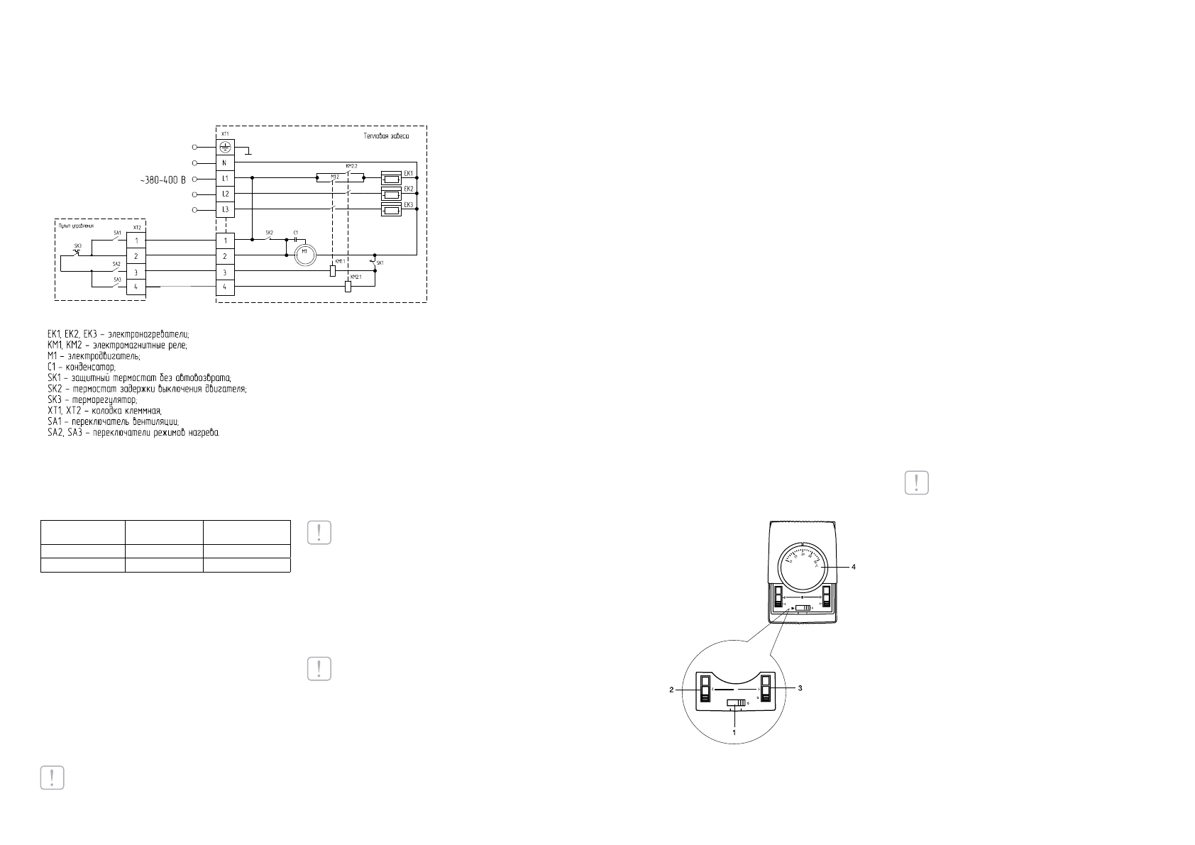
1-переключатель управления вентиляторами;
2,3-переключатели режимов мощности;
4-терморегулятор.
•
Вентиляция с подогревом потока воздуха
(режимы «1», «2»).
Включение.
Для работы в режиме «1» (непол-
ной тепловой мощности завесы) необходимо
включить завесу в режиме вентиляции, пере-
вести один из переключателей 2 или 3 (любой)
в положение l при этом включаются электро-
нагреватели, и завеса работает в режиме
неполной тепловой мощности. Вращающимся
диском терморегулятора 4 устанавливается
требуемая температура воздушного потока.
Терморегулятор поддерживает заданную тем-
пературу путем автоматического отключения и
включения электронагревателей.
Для работы в режиме «2» (полной тепловой
мощности) после включения вентиляторов
необходимо перевести оба переключателя 2 и
3 в положение l. При этом завеса будет рабо-
тать в режиме полной тепловой мощности.
Выключение.
Для отключения завесы необхо-
димо перевести 2 и 3 в положение 0. После
этого перевести переключатель 1 в положе-
ние 0 и отключить завесу от электросети.
ВНИМАНИЕ!
Если переключатели 2 и 3 (нагрев) не пере-
вести в положение «0», а переключатель 1
(вентиляция) перевести в положение «0», то
не будет отключен режим тепловой мощности.
Поиск и устранение неисправностей
При устранении неисправностей соблюдайте
меры безопасности, изложенные в настоящем
руководстве.
Если завеса не включается
Возможные причины:
• Отсутствует напряжение в сети. Проверить
наличие напряжения в электросети.
• Обрыв шнура питания. Проверить целост-
ность шнура питания, при необходимости
заменить неисправный кабель.
• Не исправлен или неправильно подключен
пульт управления завесой. Проверить пра-
Подключение тепловой завесы BHC-B15T09-PS к пульту NTL
Автоматический выключатель и сечение под-
водимого кабеля должны соответствовать та-
блице ниже.
Подключение пульта управления
Для установки пульта управления необходи-
мо, отвернув винт, снять верхнюю крышку
и панель пульта, закрепить пульт на стене,
установить панель и верхнюю крышку.
Пульт управления подключать к завесе по-
средством четырехжильного медного кабе-
ля, сечением не ниже 1.0 мм
2
в соответствии
с цифровым обозначением контактов на
клеммной колодке завесы и контактов пульта
управления: контакт «1» на завесе к контакту
«1» на пульте управления, контакт «2» на за-
весе к контакту «2» на пульте и т.д.
ВНИМАНИЕ!
Пульт управления должен располагаться вне
зоны воздушного потока завесы, иначе работа
терморегулятора будет зависеть от температу-
ры воздушного потока.
ВНИМАНИЕ!
При первом включении завесы возможно по-
явление характерного запаха и дыма (проис-
ходит сгорание масла с поверхности элек-
тронагревателей). Поэтому рекомендуется
перед установкой включить завесу в режиме
подогрева на 10-20 минут в хорошо проветри-
ваемом помещении.
ВНИМАНИЕ!
Для защиты от перегрева завес остаточным
теплом, в моделях BHC-B10T06-PS; BHC-
B15T09-PS предусмотрена автоматическая
задержка выключения вентилятора. При
выключении завесы без предварительного
охлаждения электронагревателей до безо-
пасной температуры и затем автоматически
выключаются. В зависимости от условий экс-
плуатации это занимает примерно 1-2 минуты.
Тепловая завеса Автоматический
выключатель
Сечение медного
кабеля, мм
2
В10Т06
16/32
5х1.5/3х4
В10Т09
16
5х1.5
Содержание
- 2 Свидетельство о приемке
- 3 Устройство и принцип работы; Монтаж тепловой завесы; перекрытия; Горизонтальная установка
- 4 Крепежные элементы для кронштейна; Расположение кронштейнов для горизонтального установки; закрепить кронштейны к несущей конструкции, согласно размерам
- 5 Подготовка к работе; Подключение тепловой завесы BHC-B10T06-PS к пульту NTL
- 6 Подключение тепловой завесы BHC-B15T09-PS к пульту NTL
- 7 Уход и обслуживание; Техническое обслуживание; Транспортировка и хранение
- 9 ГАРАНТИЙНЫЙ ТАЛОН; ТИП
- 11 сохраняется у клиента; УНИВЕРСАЛЬНЫЙ ОТРЫВНОЙ ТАЛОН; УНИВЕРСАЛЬНЫЙ ОТРЫВНОЙ ТАЛОН; Памятка по уходу за кондиционером: