Обогреватели Ballu BHC-24.000 TR - инструкция пользователя по применению, эксплуатации и установке на русском языке. Мы надеемся, она поможет вам решить возникшие у вас вопросы при эксплуатации техники.
Если остались вопросы, задайте их в комментариях после инструкции.
"Загружаем инструкцию", означает, что нужно подождать пока файл загрузится и можно будет его читать онлайн. Некоторые инструкции очень большие и время их появления зависит от вашей скорости интернета.
Загружаем инструкцию

15
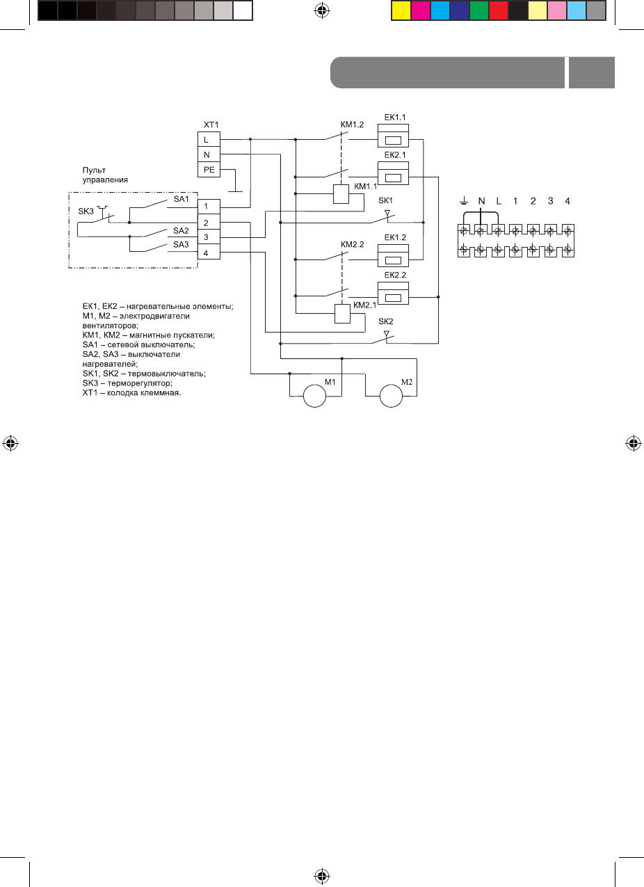
Рис. 5.
Схема электрическая BHC-6.000SR.
Приложение 2
Ballu BHC all.indd 15
Ballu BHC all.indd 15
23.06.2010 16:27:54
23.06.2010 16:27:54
Содержание
- 2 Гарантийный талон; Тепловая завеса
- 3 Содержание; Используемые обозначения; Требования, не соблюдение которых может
- 4 Правила безопасности
- 5 Назначение и применение; Устройство и принцип; Управление завесой
- 6 Технические характеристики; Комплектность; Наименование; Подготовка к работе; Монтаж тепловой завесы
- 7 Подключение к электрической сети; Порядок работы
- 9 Уход и обслуживание; Номер
- 10 Неисправности и устранение; Утилизация; Если завеса не включается
- 11 Сертификация; ООО “Ижевский завод тепло-; Гарантии изготовителя
- 12 Свидетельство о приемке; (личная подпись) (расшифровка подписи)
- 13 Приложение 1; Установочные размеры завес
- 14 Приложение 2; ХТ1 – колодка клеммная.
- 21 сохраняется у клиента; на гарантийное обслуживание