Обогреватели Ballu BHC-24.000 TR - инструкция пользователя по применению, эксплуатации и установке на русском языке. Мы надеемся, она поможет вам решить возникшие у вас вопросы при эксплуатации техники.
Если остались вопросы, задайте их в комментариях после инструкции.
"Загружаем инструкцию", означает, что нужно подождать пока файл загрузится и можно будет его читать онлайн. Некоторые инструкции очень большие и время их появления зависит от вашей скорости интернета.

14
Приложение 2
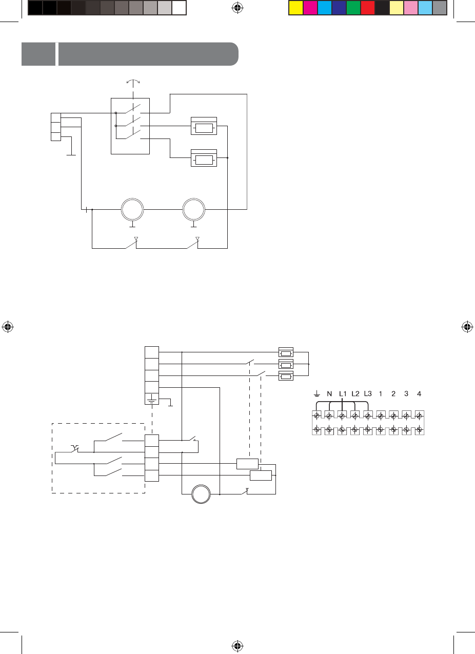
ЕК1, ЕК2, ЕК3 – электронагреватели;
KМ1, KM2 – электромагнитные реле;
М1 – электродвигатели;
SA1 – сетевой выключатель;
SA2, SA3 – выключатели нагревателей;
SK1, SK2 – термовыключатель;
SK3 – термоограничитель;
ХТ1 – колодка клеммная.
Пульт управления
SK3
SK2
M1
KM1.2
KM1.1
KM2.1
SK1
KM2.2
EK1
EK2
EK3
M
SA1
SA2
SA3
1
2
3
4
∼
XT1
L1
L2
L3
N
Рис. 4.
Принципиальная схема ВНС-6.000TR, 9.000TR, 12.000TR, 18.000TR, 24.000TR.
S A 1
M 1
M
~
M
~
EK 1
EK 3
S K 1
+90°
+90°
M 2
S K 2
Рис. 3.
Принципиальная схема ВНС-3.000TR.
ЕК1, ЕК2 – электронагреватели,
М1, М2 – электродвигатели;
SA1 – переключатель режимов работы;
SK1, SK2 – термовыключатель;
ХТ1 – колодка клеммная.
Ballu BHC all.indd 14
Ballu BHC all.indd 14
23.06.2010 16:27:54
23.06.2010 16:27:54
Содержание
- 2 Гарантийный талон; Тепловая завеса
- 3 Содержание; Используемые обозначения; Требования, не соблюдение которых может
- 4 Правила безопасности
- 5 Назначение и применение; Устройство и принцип; Управление завесой
- 6 Технические характеристики; Комплектность; Наименование; Подготовка к работе; Монтаж тепловой завесы
- 7 Подключение к электрической сети; Порядок работы
- 9 Уход и обслуживание; Номер
- 10 Неисправности и устранение; Утилизация; Если завеса не включается
- 11 Сертификация; ООО “Ижевский завод тепло-; Гарантии изготовителя
- 12 Свидетельство о приемке; (личная подпись) (расшифровка подписи)
- 13 Приложение 1; Установочные размеры завес
- 14 Приложение 2; ХТ1 – колодка клеммная.
- 21 сохраняется у клиента; на гарантийное обслуживание