Обогреватели Ballu-Biemmedue SP 100 oil - инструкция пользователя по применению, эксплуатации и установке на русском языке. Мы надеемся, она поможет вам решить возникшие у вас вопросы при эксплуатации техники.
Если остались вопросы, задайте их в комментариях после инструкции.
"Загружаем инструкцию", означает, что нужно подождать пока файл загрузится и можно будет его читать онлайн. Некоторые инструкции очень большие и время их появления зависит от вашей скорости интернета.

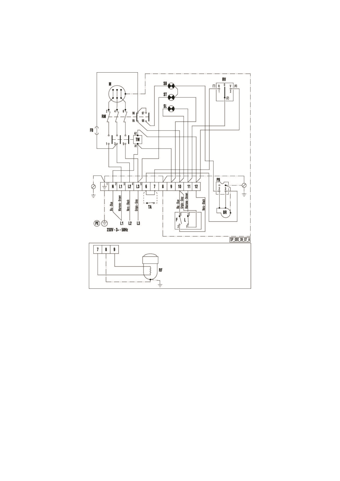
ЭЛЕКТРИЧЕСКАЯ
СХЕМА
M
ДВИГАТЕЛЬ
ВЕНТИЛЯТОРА
F
ТЕРМОВЫКЛЮЧАТЕЛЬ
ВЕНТИЛЯТОРА
, F
FB
ПРЕДОХРАНИТЕЛЬ
ГОРЕЛКИ
6A
TM
ДИСТАНЦИОННЫЙ
ВЫКЛЮЧАТЕЛЬ
ВЕНТИЛЯТОРА
RM
ТЕРМОРЕЛЕ
ВЕНТИЛЯТОРА
ST
ИНДИКАТОР
НАПРЯЖЕНИЯ
ШКАФА
SB
ИНДИКАТОР
БЛОКИРОВКИ
ВЕНТИЛЯТОРА
BR
ГОРЕЛКА
TA
РЕЛЕ
ТЕМПЕРАТУРЫ
В
ПОМЕЩЕНИИ
RF
ФИЛЬТР
НАГРЕТОГО
ДИЗЕЛЬНОГО
ТОПЛИВА
PB
ГНЕЗДО
ДЛЯ
ГОРЕЛКИ
L
ПРЕДОХРАНИТЕЛЬНЫЙ
ТЕРМОВЫКЛЮЧАТЕЛЬ
С
РУЧНОЙ
ПЕРЕУСТАНОВКОЙ
, L
RV
ПЕРЕКЛЮЧАТЕЛЬ
НАГРЕВА
-
ОСТАНОВА
-
ВЕНТИЛЯЦИИ
SL
ИНДИКАТОР
ПРЕДОХРАНИТЕЛЬНЫХ
ТЕРМОВЫКЛЮЧАТЕЛЕЙ
, L













