Обогреватели AIKEN MGH 10F 160103009 - инструкция пользователя по применению, эксплуатации и установке на русском языке. Мы надеемся, она поможет вам решить возникшие у вас вопросы при эксплуатации техники.
Если остались вопросы, задайте их в комментариях после инструкции.
"Загружаем инструкцию", означает, что нужно подождать пока файл загрузится и можно будет его читать онлайн. Некоторые инструкции очень большие и время их появления зависит от вашей скорости интернета.

8
тре улировать
подачу
аза
в
соответствии
с
желаемой
тепловой
мо ностью
,
вра а
ручку
крана
против
часовой
стрелки
дл
ее
увеличивани
или
по
часовой
стрелке
дл
ее
умень ени
.
сли
плам
за оритс
,
но
по
истечении
нескольких
секунд
теплона реватель
блокируетс
,
за оритс
кнопка
сброса
"RESET".
том
случае
проконтролировать
соблюдение
всех
инструк ий
пред ду е о
пара ра а
(
монтаж
).
Подождать
одну
минуту
,
после
че о
сн ть
блокировку
с
теплона ревател
,
нажав
"RESET",
и
повторить
опера ию
включени
.
В И А И
:
сли
включение
затруднено
или
неправильно
,
то
прежде
чем
повторить
опера ию
,
убедитьс
в
том
,
что
вентил тор
не
блокирован
,
а
также
в
том
,
что
вход
и
в ход
воздуха
полностью
свободн
.
В И А И
:
сли
в полн ете
все
опера ии
,
перечисленн е
в
е
,
но
после
трех
поп ток
пу ка
не
запускаетс
,
непродолжайте
запуск
самосто тельно
!
акройте
баллон
,
проветрите
поме ение
!
пу енн й
аз
крайне
пожароопасен
!
Св житесь
с
а ей
сервисной
службой
дл
в снени
причин
поломки
!
4.3.
ч
л
в ключени
теплона ревател
необходимо
закр ть
кран
азово о
баллона
.
ставить
вра атьс
вентил тор
пока
плам
не
по аснет
,
после
то о
установить
в ключатель
вентил тора
в
пози ию
O
см
.
рис
. 1.
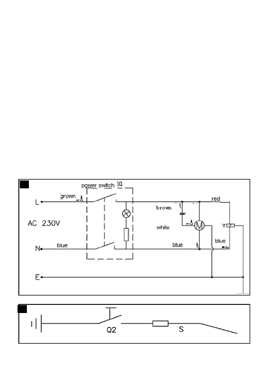
Электрические
схем
:
Электродви атель
,
лектрома нитн й
клапан
см
.
рис
. 9.
Схема
зажи ани
см
.
и
.
10.
9
10