Ноутбуки Lenovo ThinkPad P50 - инструкция пользователя по применению, эксплуатации и установке на русском языке. Мы надеемся, она поможет вам решить возникшие у вас вопросы при эксплуатации техники.
Если остались вопросы, задайте их в комментариях после инструкции.
"Загружаем инструкцию", означает, что нужно подождать пока файл загрузится и можно будет его читать онлайн. Некоторые инструкции очень большие и время их появления зависит от вашей скорости интернета.
Загружаем инструкцию
 
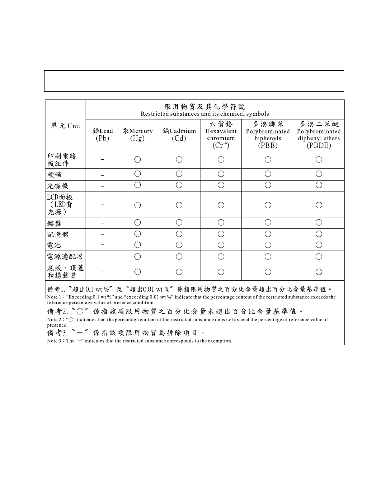
Директива с ограничениями по работе с опасными веществами
(RoHS) для Тайваня (Китай)
設 備 名 稱 : 筆 記 型 電 腦
型號
(
型式
)
:
TP00073A, 20EN, 20EQ
Equipment name
Type designation (Type)
171
Содержание
- 3 Содержание
- 4 ii
- 5 iii
- 7 Прочтите вначале; Будьте осторожны: при работе компьютер нагревается.; Будьте осторожны: в процессе работы адаптер питания нагревается.; Берегите компьютер от влаги.
- 8 Будьте аккуратны при переноске компьютера.; Обращайтесь с компьютером аккуратно.; Важная информация по технике безопасности
- 9 Состояния, требующие немедленных действий; vii
- 10 ОПАСНО
- 12 Заявление в отношении источника питания; Внешние устройства
- 14 Эмиссия тепла и вентиляция
- 16 Замечания по пластиковым пакетам
- 17 xv
- 19 Глава 1. Обзор продукта; Вид спереди
- 21 Вид слева; Решетка вентилятора; Гнездо ExpressCard
- 22 Вид справа; Аудиоразъем; Разъем Mini DisplayPort
- 23 Гнездо с защитным замком; Вид сзади; Разъем Always On USB
- 25 Вид снизу; Гнездо для карты micro SIM; Дренажное отверстие клавиатуры
- 26 Индикаторы состояния; Индикатор состояния камеры; Индикатор отключения звука
- 27 Расположение наклеек с важной информацией о продукте
- 29 Наклейки для операционных систем Windows; Сертификат подлинности Windows 7.; Наклейка подлинного ПО Microsoft Windows 10.
- 30 Характеристики
- 32 Спецификации; Размеры; Условия эксплуатации
- 33 Все программы; Обзор программ Lenovo
- 37 Глава 2. Работа на компьютере; Регистрация компьютера
- 39 Получение справки по операционной системе Windows; Для Windows 7; Справка и поддержка; Начало работы; Использование мультисенсорного экрана
- 41 Советы по использованию мультисенсорного экрана
- 42 Специальные клавиши
- 45 Использование жестов для сенсорной панели
- 46 Замена колпачка на джойстике; Настройка манипулятора ThinkPad
- 47 Управление питанием; Подключение адаптера питания; Проверка состояния аккумулятора
- 48 Электропитание; Режимы энергосбережения; Режим отключения экрана (только для Windows 7)
- 49 Эксплуатация аккумулятора
- 51 Использование подключения к беспроводной локальной сети
- 53 Использование подключения к беспроводной глобальной сети; Проверка состояния соединения с беспроводной глобальной сетью
- 54 Использование соединения Bluetooth
- 58 Использование камеры
- 61 Глава 3. Расширение возможностей компьютера; Подбор дополнительных аксессуаров ThinkPad
- 62 Обзор пера; Установка батарейки для питания пера
- 63 Док-станция ThinkPad Workstation Dock
- 65 Гнездо для защитного замка; Присоединение док-станции к компьютеру
- 66 Отсоединение док-станции от компьютера
- 69 Глава 4. Вы и ваш компьютер; Специальные возможности и удобство работы; Общая посадка
- 70 Рекомендации путешественникам; Создание комфортных условий; Информация о специальных возможностях
- 71 Сочетания клавиш; Центр специальных возможностей
- 74 Дорожные аксессуары
- 75 Глава 5. Безопасность; Использование паролей; Установка, смена или удаление пароля на включение
- 76 Supervisor password
- 78 Пароли на доступ к жесткому диску
- 80 Защита жесткого диска
- 81 Установка микросхемы защиты
- 82 Использование устройства распознавания отпечатков пальцев
- 83 Настройка устройства распознавания отпечатков пальцев
- 85 Использование брандмауэров
- 87 Глава 6. Расширенные настройки; Установка новой операционной системы
- 88 Установка операционной системы Windows 10; Startup
- 89 Установка драйверов устройств
- 90 Меню Main; Main
- 91 Меню Config; Config; жирным шрифтом
- 97 System Date; System Time; Меню Security; Security
- 104 Меню Startup
- 105 Boot
- 107 Использование средств управления системой; Desktop Management Interface; Wake on LAN; Network Boot
- 108 Настройка средств управления компьютером
- 109 Глава 7. Предотвращение неполадок; Общие советы по предотвращению проблем; Компьютер
- 110 Обновление драйверов устройств; Загрузка последних версий драйверов с веб-сайта; Обновление драйверов с использованием программы System Update
- 111 Уход за компьютером; Обращайтесь с компьютером осторожно и бережно
- 112 Правильно носите ваш компьютер; Будьте внимательны, задавая пароли
- 113 Чистка крышки компьютера; Чистка клавиатуры; Чистка дисплея
- 115 Глава 8. Устранение неполадок компьютера; Диагностика неполадок
- 116 Попадание жидкости на клавиатуру; Если вы пролили жидкость на компьютер:; Сообщения об ошибках; Сообщение
- 118 Звуковые сигналы, сообщающие об ошибках
- 119 Неполадки модулей памяти; Проблемы, связанные с Ethernet; Проблема
- 120 Проблемы беспроводной локальной сети
- 121 Неполадки клавиатуры и других манипуляторов; Неполадки манипулятора TrackPoint
- 122 Неполадки с клавиатурой; Неполадки дисплея и мультимедийных устройств; Неполадки с экраном компьютера
- 125 Проблемы с внешним дисплеем
- 127 Проблемы с воспроизведением звука
- 128 Неполадки устройства распознавания отпечатков пальцев
- 129 Неполадки аккумулятора и системы питания; Неполадки с аккумулятором
- 130 Неполадки адаптера питания; Проблемы с электропитанием; Неполадки при загрузке
- 131 Проблемы режима сна и гибернации
- 132 Неполадки жестких дисков и других устройств для хранения данных; Проблемы с жестким диском; Неполадки программ
- 133 Неполадки портов и разъемов; Неполадки с USB
- 135 Создание носителей восстановления
- 136 Резервное копирование и восстановление
- 137 Рабочее пространство Rescue and Recovery
- 138 Создание и использование резервного носителя; Создание резервного носителя
- 140 Решение проблем, связанных с восстановлением
- 142 Создание и использование USB-накопителя восстановления; Создание USB-накопителя восстановления; Создание диска; Использование USB-накопителя восстановления
- 143 Диагностика
- 145 Глава 10. Замена устройств
- 146 Замена съемного аккумулятора
- 147 Установка или замена карты micro SIM
- 148 Замена нижней крышки
- 150 Замена жесткого диска
- 152 Замена твердотельного диска M.2
- 156 Замена модуля памяти под нижней крышкой
- 158 Замена плоской круглой батарейки
- 159 Замена клавиатуры
- 163 Замена карты беспроводной глобальной сети M.2
- 166 Замена модуля памяти под клавиатурой
- 169 Глава 11. Оказание технической поддержки; Перед тем как связаться с Lenovo
- 171 Как обратиться в центр поддержки клиентов Lenovo; Телефоны; Приобретение дополнительных услуг
- 177 Приложение B. Нормативные сведения; Расположение антенн беспроводной связи UltraConnectTM; Антенна беспроводной локальной сети (вспомогательная); Информация о беспроводной связи; Взаимодействие беспроводных сетей
- 178 Условия работы и ваше здоровье
- 179 Информация о соответствии нормативам радиосвязи; Информация о соответствии нормативам радиосвязи Бразилии; Информация, относящаяся к сертификации; Замечание по экспортной классификации
- 180 Замечание об электромагнитном излучении; Модели без радиоустройства.
- 181 Модели с радиоустройством.; Deutschsprachiger EU Hinweis:
- 183 Важная информация о WEEE
- 185 Информация по утилизации для Бразилии; Declarações de Reciclagem no Brasil; Информация об утилизации аккумуляторов для Тайваня (Китай); Примечание
- 186 Утилизация аккумуляторов из продуктов Lenovo; Информация об утилизации аккумуляторов для США и Канады
- 191 Приложение E. Информация о моделях ENERGY STAR; Оборудование и звук; Сетевые адаптеры
- 193 Приложение F. Замечания
- 194 Товарные знаки
 
  
  
  
  
  
  
  
  
  
  
  
  
  
  
  
  
  
  
  
  
  
  
  
  
  
  
  
  
  
  
  
  
  
  
  
  
  
  
  
  
  
  
  
  
  
  
  
  
  
  
  
  
  
  
  
  
  
  
  
  
  
  
  
  
  
  
  
  
  
  
  
  
  
  
  
  
  
  
  
  
  
  
  
  
  
  
  
  
  
  
  
  
  
  
  
  
  
  
  
  
  
  
  
  
  
  
  
  
  
  
  
  
  
  
  
  
  
  
  
  
  
  
  
  
  
  
  
  
  
  
  
  
  
  
  
  
  
  
  
  
  
  
  
  
  
  
  
  
  
  
  
  
  
  
  
  
  
  
  
  
  
  
  
  
  
  
  
  
  
  
  
  
  
  
  
  
  
  
  
  
  
  
  
  
  
  
  
  
  
  
  
  
  
  
  
 











