Ноутбуки Lenovo ThinkBook 15-IIL - инструкция пользователя по применению, эксплуатации и установке на русском языке. Мы надеемся, она поможет вам решить возникшие у вас вопросы при эксплуатации техники.
Если остались вопросы, задайте их в комментариях после инструкции.
"Загружаем инструкцию", означает, что нужно подождать пока файл загрузится и можно будет его читать онлайн. Некоторые инструкции очень большие и время их появления зависит от вашей скорости интернета.

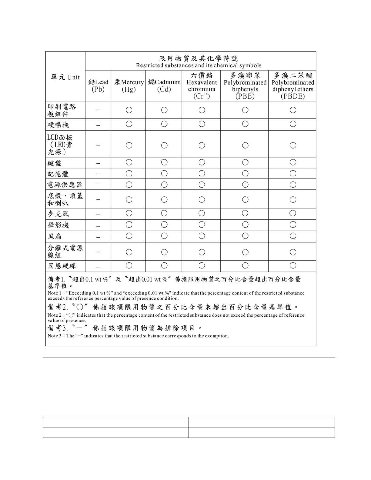
Директива с ограничениями по работе с опасными веществами (RoHS) для Тайваня (Китай)
Замечания об электромагнитном излучении
Информация поставщика о соответствии стандартам Федеральной
комиссии связи США (FCC)
Следующая информация относится к указанным ниже моделям продуктов:
Название модели
Тип компьютера
Lenovo ThinkBook 14-IML
20RV
Приложение C. Информация о соответствии
65
Содержание
- 3 Содержание
- 5 Об этой документации; iii
- 7 Глава 1. Знакомство с компьютером; Вид спереди
- 8 Вид основания
- 12 Вид слева
- 16 Вид справа
- 20 Компоненты и спецификации
- 21 Температура
- 22 Относительная влажность
- 23 Глава 2. Начало работы с компьютером; Начало работы с Windows 10; Локальные учетные записи; Добавление учетных записей пользователей
- 24 Регистрация отпечатка пальца
- 25 Пользовательский интерфейс Windows; Открытие меню «Пуск»; Пуск
- 26 Lenovo Vantage и Lenovo PC Manager; Подключиться
- 27 Включение и отключение режима «в самолете»
- 29 Спецификации USB-ключа; Быстрые клавиши на клавиатуре
- 30 Режим горячих клавиш
- 31 Глава 3. Подробнее о компьютере; Управление питанием
- 32 Fn
- 36 Change User Password; Exit; Возврат в исходное состояние или восстановление Windows; Восстановление системы Windows
- 37 Возврат Windows в исходное состояние
- 39 Глава 4. Справка и поддержка; Часто задаваемые вопросы; Ресурсы для самостоятельного устранения неполадок
- 41 Центр поддержки клиентов Lenovo; Телефоны
- 42 Приобретение дополнительных услуг
- 43 Замечания по технике безопасности; Важная информация по использованию компьютера; Будьте осторожны: при работе компьютер нагревается.
- 45 Состояния, требующие немедленных действий
- 46 Обслуживание и модернизация
- 47 Шнуры и адаптеры питания; ОПАСНО
- 48 Заявление в отношении источника питания
- 50 Замечание по встроенному аккумулятору; Замечание о плоской круглой литиевой батарейке
- 51 Тепловыделение и вентиляция
- 53 Замечание о жидкокристаллическом дисплее (ЖКД)
- 54 Замечание об опасности удушения; Замечания по пластиковым пакетам; Замечание по стеклянным компонентам
- 57 Информация о специальных возможностях
- 59 Эргономичность работы
- 61 Вопросы относительно зрения
- 63 Приложение C. Информация о соответствии; Заявление о соответствии радиочастот; Расположение идентификаторов FCC ID и IC ID
- 65 Информация об экологической безопасности стран и регионов
- 67 Информация по утилизации для Бразилии; Информация об утилизации аккумуляторов для Европейского союза
- 68 Утилизация аккумуляторов из продуктов Lenovo; Информация об утилизации для материкового Китая
- 69 RoHS в материковом Китае
- 71 Замечания об электромагнитном излучении
- 72 Заявление о соответствии промышленным стандартам Канады; Соответствие директиве по электромагнитной совместимости
- 73 Замечание по шнуру питания для Японии
- 77 Приложение D. Замечания и товарные знаки; Замечания
- 78 Товарные знаки












