Мойки высокого давления Kranzle Quadro 1000 TST - инструкция пользователя по применению, эксплуатации и установке на русском языке. Мы надеемся, она поможет вам решить возникшие у вас вопросы при эксплуатации техники.
Если остались вопросы, задайте их в комментариях после инструкции.
"Загружаем инструкцию", означает, что нужно подождать пока файл загрузится и можно будет его читать онлайн. Некоторые инструкции очень большие и время их появления зависит от вашей скорости интернета.
Загружаем инструкцию

22
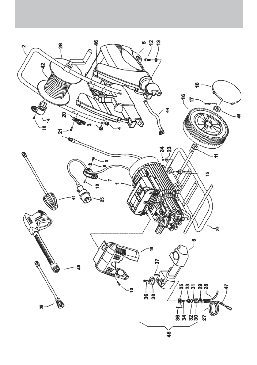
Комплектный аппарат
Содержание
- 2 О ч и с т и т е л и в ы с о к о г о д а в л е н и я; Перед пуском в эксплуатацию внимательно
- 3 Технические данные
- 4 Описание; Содержание
- 6 Распылительная трубка с распылительным пистолетом
- 7 Шланг высокого давления и распылительное устройство; Клапан регулирования давления-предохранительный клапан
- 9 Подключение к электросети
- 10 Краткое руководство по эксплуатации:; Стояночный тормоз
- 12 Монтаж и оснащение аппарата
- 13 Пуск в эксплуатацию
- 14 Внешнее всасывание
- 15 Снятие с эксплуатации; Снятие с эксплуатации:; Защита от мороза; Засасывание моющего
- 16 Указания по технике безопасности
- 20 с дополнительными принадлежностями KRÄNZLE
- 22 Клапаны загрязнены или залипли!
- 37 Старлет II
- 38 Турбокиллер
- 40 Общие инструкции
- 41 аппратов фирмы KRÄNZLE для чистки под высок. давлением; Указания руководства по эксплуатации являются составной; Протокол испытаний; Очистители высокого давления должны через каждые 12
- 42 Гарантия
- 44 Свидетельство о соответствии