Мойки высокого давления IPC Portotecnica G. Power-C I 1813 P T 94198 IDAF - инструкция пользователя по применению, эксплуатации и установке на русском языке. Мы надеемся, она поможет вам решить возникшие у вас вопросы при эксплуатации техники.
Если остались вопросы, задайте их в комментариях после инструкции.
"Загружаем инструкцию", означает, что нужно подождать пока файл загрузится и можно будет его читать онлайн. Некоторые инструкции очень большие и время их появления зависит от вашей скорости интернета.

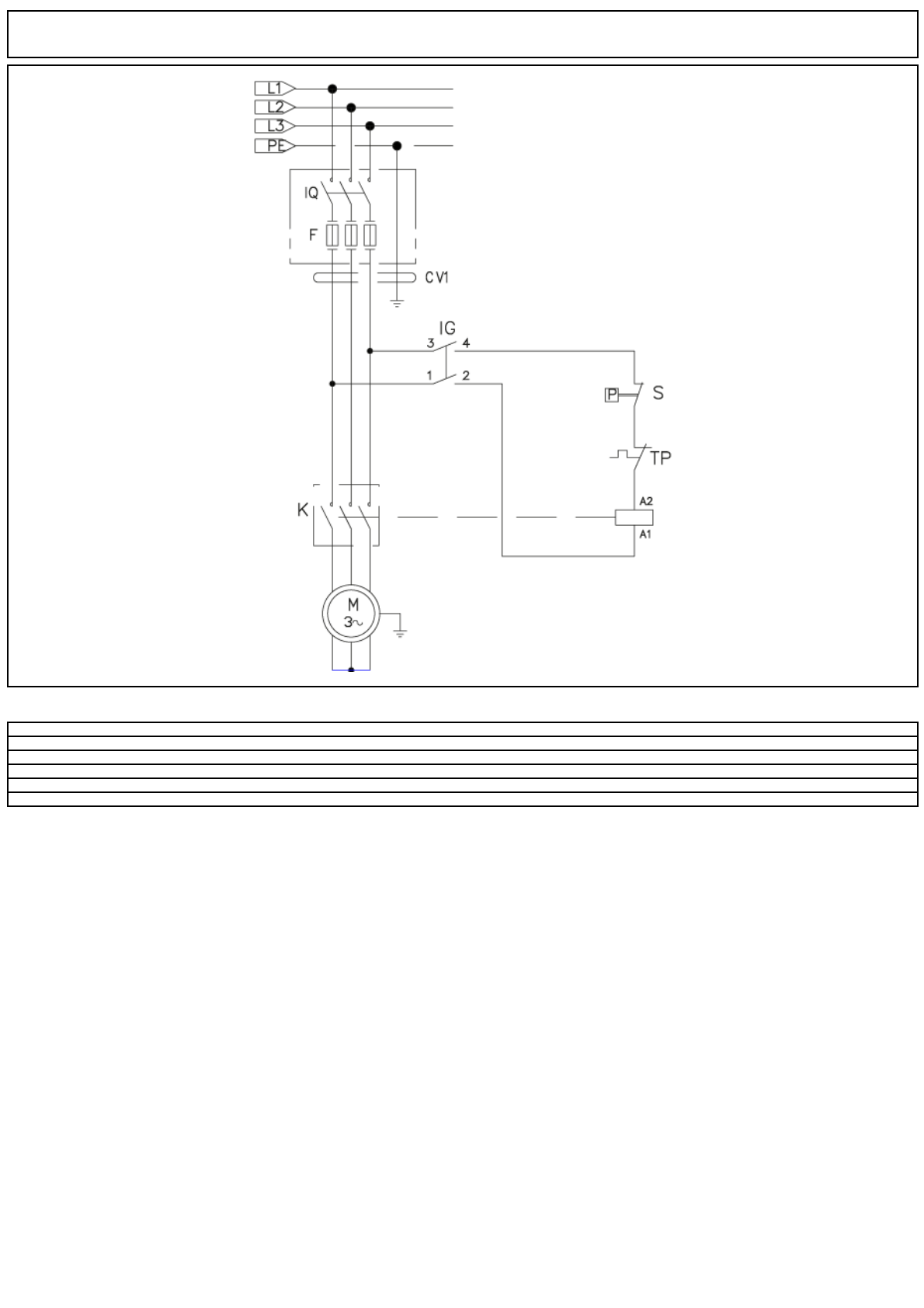
Tаблица: ЭЛЕКТРОСХЕМА
Порядковый Hомер: 2
Дата: 05/02/2015
Bыбранная Запчасть: IDAF94198
Cтраница: 2
C-ка K N. з/ч.
N. з/ч. Клиента
Oписание
Кол-во
Действителен:
C По
Цена
K
METT40009
ПУЛЬТ ДИСТАНЦИОННОГО УПРАВЛЕНИЯ SIE 3RT 2016-1AP01
1,00
09/2012
--
K
METT40013
ПУЛЬТ ДИСТАНЦИОННОГО УПРАВЛЕНИЯ SIE 3RT 2017-1AV01
1,00
10/2014
--
K
METT40664
ПУЛЬТ ДИСТАНЦИОННОГО УПРАВЛЕНИЯ SIE 3RT 1017 1AV01
1,00
09/2012
10/2014
--
K
METT43231
ПУЛЬТ ДИСТАНЦИОННОГО УПРАВЛЕНИЯ SIE 3RT 1016 1AP01
1,00
09/2012
09/2012
--
IG
MECI93803
BЫКЛЮЧАТЕЛЬ AQUA 3022/56 A AC + HOLE
1,00
09/2012
--
CV1
MECB64233
КАБЕЛЬ H07 RNF 4X1.5 L=5.500
1,00
09/2012
--
Содержание
- 4 Tаблица: ЭЛЕКТРОСХЕМА
- 5 Tаблица: РУКОЯТКА
- 7 Tаблица: НАСОС
- 10 Tаблица: КЛАПАН













