Мотоциклы HONDA CBR1000RR ABS - инструкция пользователя по применению, эксплуатации и установке на русском языке. Мы надеемся, она поможет вам решить возникшие у вас вопросы при эксплуатации техники.
Если остались вопросы, задайте их в комментариях после инструкции.
"Загружаем инструкцию", означает, что нужно подождать пока файл загрузится и можно будет его читать онлайн. Некоторые инструкции очень большие и время их появления зависит от вашей скорости интернета.

31
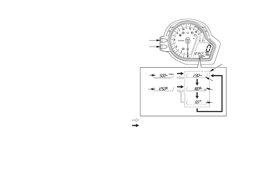
Указатель расхода топлива
Указатель расхода топлива отображает следующее:
Мгновенный расход топлива
Средний расход топлива
Расход
топлива
Индикация среднего и текущего расхода топлива
может отображаться в км/л или л/100 км (стр. 35).
(только версия Е)
Единицы индикации зависят от выбранных на-
строек (стр. 34).
Если на дисплее отображаются одометр (5) или
указатель пробега за поездку A (6), нажмите кноп-
ку B (7) и выберите нужный режим работы указате-
ля расхода топлива. Для переключения показаний
дисплея между одометром и указателем пробега за
поездку А необходимо нажать кнопку А (8).
(8)
(7)
(5)
(2)
(3)
(4)
(6)
(1)
: Нажмите кнопку управления А
: Нажмите кнопку управления В
(1) Указатель расхода топлива
(2) Мгновенный расход
топлива
(3) Средний расход топлива
(4) Расход топлива
(5) Одометр
(6) Указатель пробега за
поездку А
(7) Кнопка управления В
(8) Кнопка управления А
Содержание
- 3 ДОБРО ПОЖАЛОВАТЬ
- 5 НЕСКОЛЬКО СЛОВ О БЕЗОПАСНОСТИ; Предупреждающие таблички; - перед которой помещен символ внимания; ОПАСНОСТЬ, ПРЕДОСТЕРЕЖЕНИЕ; или; ПРЕДУПРЕЖДЕНИЕ; Эти сигнальные слова означают следующее:
- 6 - такие, как важные предостережения или требования; Раздел “Безопасность”
- 7 ЭКСПЛУАТАЦИЯ; БЕЗОПАСНОСТЬ; ЗАЩИТНАЯ ЭКИПИРОВКА; ОРГАНЫ УПРАВЛЕНИЯ И ИХ; 1 ПРИБОРЫ И ИНДИКАТОРЫ; 1 ОСНОВНЫЕ УЗЛЫ И АГРЕГАТЫ; страница; 5 МЕХАНИЗМЫ И ОРГАНЫ УПРАВЛЕНИЯ
- 10 БЕЗОПАСНОСТЬ; Всегда надевайте шлем
- 11 Чтобы ездить безопасно; , очень важно перед каждой
- 12 Прочные сапоги или ботинки с подошвой,
- 13 Загрузка
- 14 Максимальная масса груза:; кг; Рекомендации по загрузке
- 15 Аксессуары и модификации
- 16 Аксессуары; • Убедитесь, что аксессуары не заслоняют; Изменения конструкции
- 17 ОРГАНЫ УПРАВЛЕНИЯ И ИХ РАСПОЛОЖЕНИЕ
- 20 ПРИБОРЫ И ИНДИКАТОРЫ
- 21 Функции; Используйте эту кнопку для:
- 22 Высвечивается при включении нейтральной передачи.
- 24 0) Индикатор правых
- 25 дисплей
- 28 Исходный режим индикации
- 29 Многофункциональный дисплей
- 30 Указатель температуры охлаждающей жидкости; Индикация температуры
- 37 Спидометр
- 38 Дисплей одометра/Указателя пробега за поездку
- 40 Указатель расхода топлива; Мгновенный расход топлива
- 42 Для активации или деактивации режима; активировано; Для подтверждения выбора нажмите кнопку В.
- 44 Выбор индикации указателя расхода топлива
- 45 Цифровые часы; Для установки показаний часов нажимайте
- 47 Каждое нажатие кнопки А перемещает стрелку
- 50 ОСНОВНЫЕ УЗЛЫ И АГРЕГАТЫ; ПОДВЕСКА; Поворот регулятора на 6 щелчков против
- 53 Задняя подвеска; Поворот регулятора на 2 оборота (для модели
- 59 СЦЕПЛЕНИЕ
- 61 Запустите двигатель, нажмите рычаг сцепления
- 62 ОХЛАЖДАЮЩАЯ ЖИДКОСТЬ
- 63 Проверка
- 64 Остановите двигатель и не
- 66 Использование спиртосодержащих видов топлива; Повреждение лакокрасочного покрытия
- 67 Остановите двигатель и удерживайте мотоцикл
- 68 БЕСКАМЕРНЫЕ ШИНЫ; Давление воздуха в шинах
- 69 Необходимо обратить внимание на следующее:
- 70 Износ протектора; Минимальная глубина протектора
- 71 Ремонт шины
- 72 Замена шин
- 73 Важная информация по безопасности; Запрещается установка на мотоцикл
- 74 МЕХАНИЗМЫ И ОРГАНЫ УПРАВЛЕНИЯ; ЗАМОК ЗАЖИГАНИЯ; Положения ключа зажигания
- 75 КЛЮЧИ
- 81 Кнопка помигивания дальним светом фары (2); Передвиньте выключать влево, в положение
- 85 затяните крепежные болты.
- 86 Заднее седло
- 87 ДЕРЖАТЕЛИ ШЛЕМОВ
- 88 ПАКЕТ ДЛЯ ДОКУМЕНТОВ
- 90 • Правильно установите трубопроводы на место.
- 92 Уровень масла в двигателе - добавьте
- 94 ПУСК ДВИГАТЕЛЯ
- 95 Подготовительные операции; В коробке передач включена нейтральная
- 96 Процедура запуска; заслонке нажмите кнопку стартера.
- 97 Заливание цилиндров топливом; положении; Отключение зажигания
- 98 ОБКАТКА МОТОЦИКЛА
- 99 ЕЗДА НА МОТОЦИКЛЕ; Пока двигатель работает на холостом ходу,
- 101 ТОРМОЖЕНИЕ; Важная информация по безопасности:
- 105 СТОЯНКА МОТОЦИКЛА; После остановки мотоцикла включите
- 109 ТЕХНИКА БЕЗОПАСНОСТИ; Остановите двигатель перед выполнением; Окись углерода, котрая содержится в; Прочтите указания по выполнению работ перед
- 110 ПЕРИОДИЧНОСТЬ ТЕХНИЧЕСКОГО ОБСЛУЖИВАНИЯ; занные промежутки времени.
- 113 КОМПЛЕКТ ИНСТРУМЕНТА
- 114 СЕРИЙНЫЕ НОМЕРА
- 115 ЭТИКЕТКА С ОБОЗНАЧЕНИЕМ КРАСКИ; ЦВЕТ
- 116 Вязкость; НЕ РЕКОМЕНДУЕТСЯ
- 118 Моторное масло и масляный фильтр
- 120 С помощью специального ключа отверните
- 124 ПРИВОДНАЯ ЦЕПЬ; Проверьте прогиб нижней петли приводной
- 125 ИСПРАВНО
- 126 Прогиб должен составлять:
- 128 мм; Приводная цепь для замены:; DID
- 130 НАПРАВЛЯЮЩАЯ ПРИВОДНОЙ ЦЕПИ
- 132 БОКОВОЙ УПОР; Проверка функционирования:
- 133 Приподнимите переднее колесо над опорной
- 134 Снимите правый и левый тормозные суппорты
- 135 колесо и левые втулки.
- 136 Установка переднего колеса; Нм
- 139 Снятие заднего колеса; звёздочки, продвинув заднее колесо вперёд.
- 140 Установка заднего колеса
- 142 Задний тормоз
- 143 АККУМУЛЯТОРНАЯ БАТАРЕЯ
- 145 ЗАМЕНА ПРЕДОХРАНИТЕЛЕЙ
- 148 Предохранитель электромотора АБС:
- 150 ЗАМЕНА ЛАМП; Не забудьте выключить зажигание при замене
- 151 Лампа фары; ее против часовой стрелки.
- 152 Стояночный фонарь
- 153 Лампы передних указателей поворота; Аккуратно снимите обтекатель зеркала заднего
- 155 Лампы задних указателей поворота; против часовой стрелки.
- 159 Мытье мотоцикла
- 160 Просушите мотоцикл и металлические
- 161 Очистка матовых поверхностей
- 162 Уход за выхлопной трубой и глушителем
- 163 Замените масло в двигателе и масляный; • Остановите двигатель и не приближай-
- 165 РАСКОНСЕРВАЦИЯ ПОСЛЕ ХРАНЕНИЯ; более 4 месяцев, замените моторное масло.
- 167 ТЕХНИЧЕСКИЕ ХАРАКТЕРИСТИКИ; РАЗМЕРЫ
- 168 ДВИГАТЕЛЬ; Диаметр цилиндра и ход поршня
- 169 ШАССИ И ПОДВЕСКА; PTK; ПЕРЕДАЧА МОЩНОСТИ
- 170 ЭЛЕКТРООБОРУДОВАНИЕ; Аккумуляторная батарея; ПРИБОРЫ ОСВЕЩЕНИЯ; Указатель поворота; ПРЕДОХРАНИТЕЛЬ
- 171 КАТАЛИТИЧЕСКИЙ НЕЙТРАЛИЗАТОР; Используйте только неэтилированный бензин.
