Материнские платы GIGABYTE GA P55 USB3L rev 2 0 - инструкция пользователя по применению, эксплуатации и установке на русском языке. Мы надеемся, она поможет вам решить возникшие у вас вопросы при эксплуатации техники.
Если остались вопросы, задайте их в комментариях после инструкции.
"Загружаем инструкцию", означает, что нужно подождать пока файл загрузится и можно будет его читать онлайн. Некоторые инструкции очень большие и время их появления зависит от вашей скорости интернета.

- 8 -
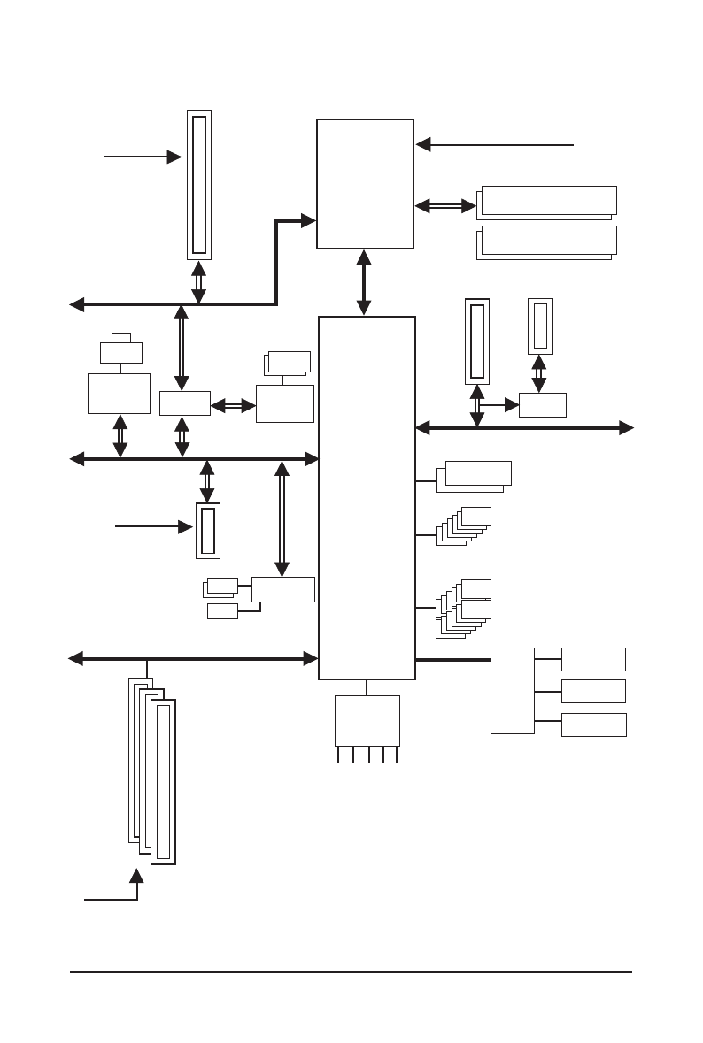
Line-Out (Front Speaker Out)
MIC (Center/Subwoofer Speaker Out)
Line-In (Rear Speaker Out)
S/PDIF In S/PDIF Out
CODEC
GA-P55-USB3L Motherboard Block Diagram
PCIe CLK
(100 MHz)
x16
1 PCI Express x16
PS/2 KB/Mouse
LGA1156
CPU
DMI
Interface
3 PCI
PCI Bus
PCI CLK
(33 MHz)
PCI Express Bus
CPU CLK+/- (133 MHz)
6 SATA 3Gb/s
Dual BIOS
DDR3 2200/1333/1066/800 MHz
Dual Channel Memory
PCI Express Bus
COM Port
LPC Bus
Floppy
Intel
®
P55/H55
12 USB 2.0/1.1
PCI Express x1
(PCIEX1_2)
1 PCI Express x4
Switch
j
x1
x4
j
/X1
k
j
Only for P55 chipset.
k
Only for H55 chipset.
PCI Express Bus
x1
ATA-133/100/66/33 IDE Channel
2 SATA 3Gb/s
GIGABYTE
SATA2
Gen 1
2 USB 3.0/2.0
Switch
Gen 2
x1
NEC
D720200F1
PCIe CLK
(100 MHz)
x1
PCI Express x1
(PCIEX1_1)
x1
LAN
RJ45
Realtek
RTL8111E
iTE
IT8720