Материнские платы GIGABYTE GA H55 USB3 rev 1 0 - инструкция пользователя по применению, эксплуатации и установке на русском языке. Мы надеемся, она поможет вам решить возникшие у вас вопросы при эксплуатации техники.
Если остались вопросы, задайте их в комментариях после инструкции.
"Загружаем инструкцию", означает, что нужно подождать пока файл загрузится и можно будет его читать онлайн. Некоторые инструкции очень большие и время их появления зависит от вашей скорости интернета.

- 8 -
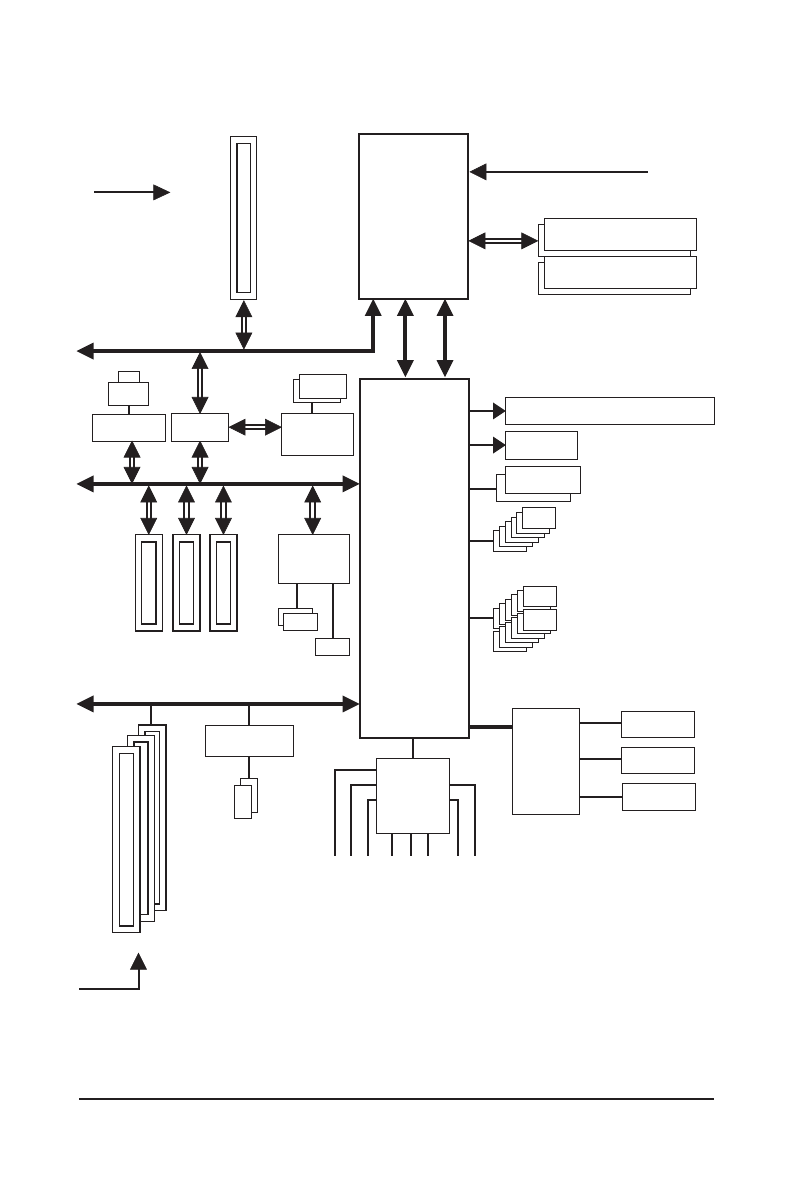
GA-H55-USB3 Motherboard Block Diagram
(Note 1) You can use only one of the onboard digital graphics ports (e.g. DisplayPort, HDMI, and DVI-D) for
output when in the BIOS Setup program or when during the POST screens.
(Note 2) Two share the same ports with USB 3.0.
LGA1156
CPU
Intel
®
H55
PCI Bus
PCI Express Bus
CPU CLK+/- (133 MHz)
PCIe CLK
(100 MHz)
6 SATA 3Gb/s
Dual BIOS
Center/Subwoofer Speaker Out
Line Out
MIC
Line In
S/PDIF In S/PDIF Out
Side Speaker Out
Surround Speaker Out
CODEC
3 PCI
PCI CLK
(33 MHz)
DDR3 1666 (O.C.)/1333/1066/800 MHz
Dual Channel Memory
1 PCI Express x16
x16
TSB43AB23
2 IEEE 1394a
D-Sub
DisplayPort, HDMI, or DVI-D
(Note 1)
DMI Interface
FDI Interface
PS/2 KB/Mouse
Floppy
COM
IT8720
LPC
Bus
PCI Express
Bus
3 PCI Express x1
x1
ATA-133/100/66/33
IDE Channel
GIGABYTE
SATA2
2 SATA 3Gb/s
X1
LAN
RTL8111D
RJ45
Gen 1
2 USB 3.0
NEC
D720200F1
Switch
Gen 2
x1
x1
12 USB 2.0/1.1 Ports
(Note 2)
X1 X1