Материнские платы GIGABYTE GA 8IG1000MK rev 1 x - инструкция пользователя по применению, эксплуатации и установке на русском языке. Мы надеемся, она поможет вам решить возникшие у вас вопросы при эксплуатации техники.
Если остались вопросы, задайте их в комментариях после инструкции.
"Загружаем инструкцию", означает, что нужно подождать пока файл загрузится и можно будет его читать онлайн. Некоторые инструкции очень большие и время их появления зависит от вашей скорости интернета.

- 8 -
GA-8IG1000MK Motherboard
English
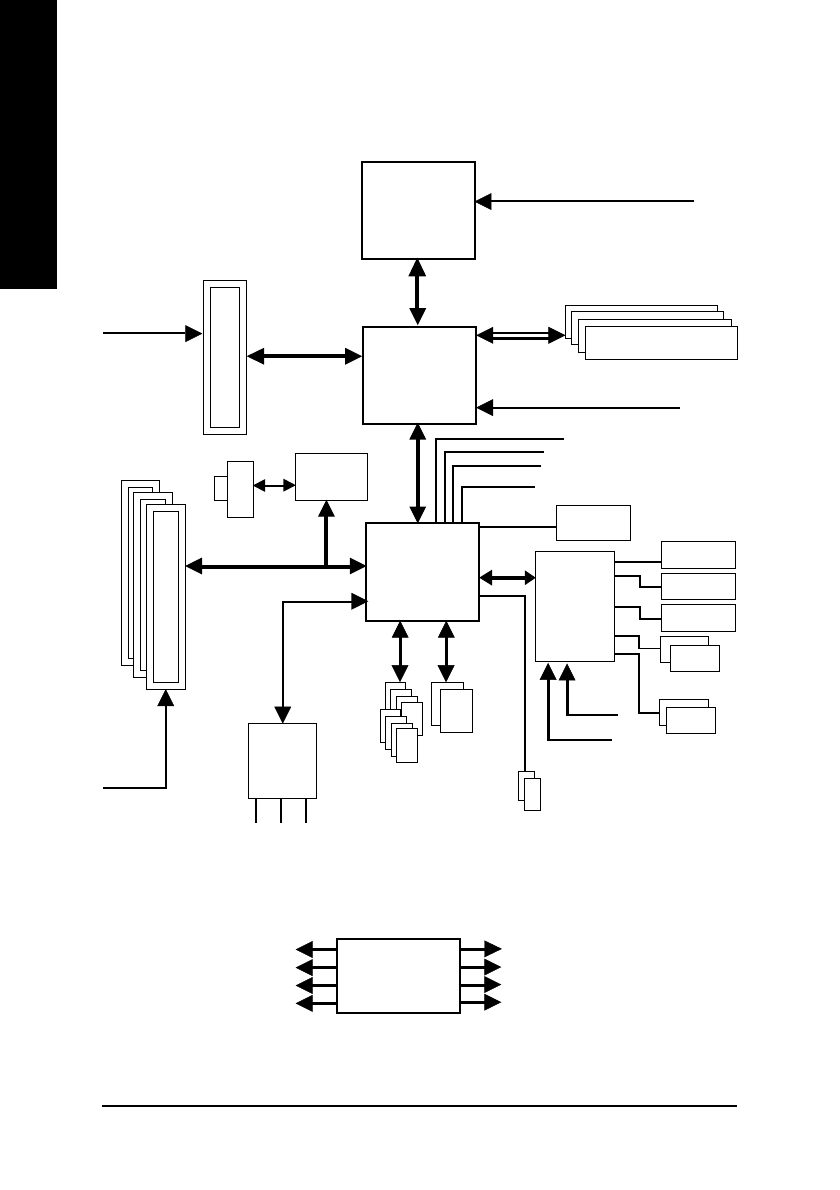
Block Diagram
CLK GEN
CPUCLK+/- (100/133/200MHz)
AGPCLK (66MHz)
MCHCLK (100/133/200mHz)
ICH3V66 (66MHz)
PCICLK (33MHz)
USBCLK (48MHz)
14.318 MHz
33 MHz
Intel 865G
Intel
ICH5
CPUCLK+/- (100/133/200MHz)
System Bus
800/533/400MHz
MCHCLK (100/133/200MHz)
66 MHz
33 MHz
14.318 MHz
48 MHz
LPC BUS
AGP 4X/8X
AGPCLK
(66MHz)
3 PCI
PCICLK
(33MHz)
RJ45
AC97 Link
8 USB
Ports
ATA33/66/100
IDE Channels
Intel
82562EZ
IT8712F
24 MHz
33 MHz
Game Port
Floppy
LPT Port
PS/2 KB/Mouse
2 COM Ports
MIC
LINE-IN
LINE-OUT
Pentium 4
Socket 478
C P U
AC97
CODEC
266/333/400MHz
2 Serial ATA
DDR RAM
BIOS



