Материнские платы GIGABYTE GA 8IE2004 L - инструкция пользователя по применению, эксплуатации и установке на русском языке. Мы надеемся, она поможет вам решить возникшие у вас вопросы при эксплуатации техники.
Если остались вопросы, задайте их в комментариях после инструкции.
"Загружаем инструкцию", означает, что нужно подождать пока файл загрузится и можно будет его читать онлайн. Некоторые инструкции очень большие и время их появления зависит от вашей скорости интернета.

- 8 -
GA-8IE2004 Series Motherboard
English
* For GA-8IE2004-L only.
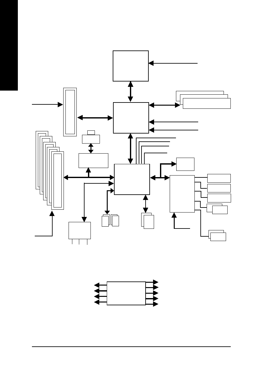
Block Diagram
CLKGEN
MCH66 (66MHz)
CPUCLK+/- (100/133MHz)
AGPCLK (66MHz)
MCHCLK+/- (100/133MHz)
ICH3V66 (66MHz)
PCICLK (33MHz)
USBCLK (48MHz)
14.318 MHz
33 MHz
Pentium 4
C P U
Intel
845E
ITE
8712
AC97
CODEC
Intel
ICH 2
CPUCLK+/- (100/133 MHz)
System Bus
400/533 MHz
DDR
100/133MHz
HCLK+/- (100/133MHz)
MCHCLK(66MHz)
66 MHz
33 MHz
14.318 MHz
48 MHz
48 MHz
LPC BUS
AGP 4X
AGPCLK
(66MHz)
5 PCI
PCICLK
(33MHz)
AC97 Link
MIC
LINE-IN
LINE-OUT
4 USB
Ports
ATA33/66/100
IDE Channels
Game Port
Floppy
LPT Port
PS/2
KB/Mouse
C O M
Ports
BIOS
RTL8100C*
RJ45*